Guest User
  • Sistemi Hybrid (119)
    • Hybrid PRO certificato (29)
    • Hybrid residenziale certificato (90)

  • Generatori (518)
    • Climatizzatori VRF (4)
    • Generatori Gas-Gasolio (320)
    • Generatori a Biomassa (43)
    • Generatori elettrici (21)
    • Pompe di calore (300)

  • Solare termico (196)
      • Vitosol 100/200-FM (197)

  • Produzione sanitaria (469)
    • Accumulo combinato con produzione istantanea (23)
    • Accumulo tecnico con produttore istantaneo (84)
    • Bollitore bivalente (157)
    • Bollitore monovalente (100)
    • Sistemi con scambiatore esterno per accumuli sanitari (33)
    • Sistemi integrati nel generatore (105)

  • Circuiti (479)
      • Diretto Caldo (223)
      • Diretto Caldo/Freddo (155)
      • Diretto Freddo (24)
      • Miscelato Caldo (246)
      • Miscelato Caldo/Freddo (50)

  • Regolazioni (474)
    • Regolazioni ambienti (281)
    • Regolazioni generatori (390)
    • Regolazioni impianti (281)

  • Ventilazione meccanica controllata (5)
      • Unità  HRI (3)
      • Vitoclima Micro DX (2)

  • Completamenti d'impianto (36)
    • Altri completamenti d'impianto (2)
    • Sistemi stoccaggio pellet (7)
    • Terminali (27)

  • Altro (473)
    • Termoregolazione (473)
      • Vi-Energy Plan (21)

Elenco Schemi

Risultato: 535 schemi
IT0002117
IT0002117

Impianto con Energycal Inverter/AW PRO AT per riscaldamento e sanitario con lancia di carico e Vitocell 100-B. Vitodens 200-W B2HF/B2HH con gestione miscela e produzione sanitaria in abbinamento ad impianto solare termico. Termoregolazione esterna ambienti e circuiti con comandi Start/Stop a PdC; richiesta di avvio circuito di media/alta temperatura a caldaia.

Numero di distinte: 1

Energycal Inverter Energycal AW PRO AT 7.1-41.1 Vitodens 200-W B2HF/B2HH Vitosol 100/200-FM
logo 2
IT0002124
IT0002124

Vitocrossal 100CIB doppia caldaia con unico mantello, con Vitotronic 300-K MW1B per la gestione climatica di n.2 circuiti miscelati e di n.1 circuito diretto. Produzione ACS con Vitocell 100-V.

Numero di distinte: 6

Vitocrossal 100 CIB-D doppia caldaia con unico mantello
logo 1 logo 2
IT0002136
IT0002136

Impianto solare <35kW <50mq Vitosol 100/200-FM batterie omogenee monofalda per integrazione sanitaria con Vitocell 100-B ed integrazione al riscaldamento con Vitocell 140-E.

Numero di distinte: 1

Vitosol 100/200-FM Generatore generico
logo 1
IT0002138
IT0002138

Impianto con Vitocal 222-S 221.C per produzione sanitaria con bollitore integrato. Gestione climatica riscaldamento di un circuito diretto e due circuiti miscelati.

Numero di distinte: 1

Vitocal 222-S 221.C
logo 1 logo 2
IT0002141
IT0002141

Impianto con Vitocrossal 200 CRU, gestione climatica di n.2 circuiti miscelati e produzione sanitaria con n.2 Vitocell 100-V collegati idraulicamente in parallelo idraulico.

Numero di distinte: 1

Vitocrossal 200 CRU
logo 2
IT0002142
IT0002142

Impianto con Vitocrossal 200 CRU, gestione climatica di n.2 circuiti miscelati e produzione sanitaria con Vitotrans 222 e n.2 Vitocell 100-L collegati idraulicamente in parallelo.

Numero di distinte: 1

Vitocrossal 200 CRU
logo 2
IT0002143
IT0002143

Impianto con Vitocal 200-S 201.D per produzione sanitaria con Solarcell MAX in abbinamento ad impianto solare termico. Gestione caldo/freddo di due miscelati (CRF2 e CRF3) per radiante e di un diretto (CRF1) per ventilconvettori con contatti Smart Home di avvio da termoregolazione esterna ambienti.

Numero di distinte: 1

Vitocal 200-S 201.D Vitosol 100/200-FM
logo 1 logo 2
IT0002148
IT0002148

Impianto con Vitocal 111-S 111.B per produzione sanitaria con bollitore integrato e kit integrazione solare termico. Termoregolazione esterna ambienti/circuiti con comandi di avvio inverno ed avvio estate.

Numero di distinte: 1

Vitocal 111-S 111.A/B Vitosol 100/200-FM
logo 1
IT0002150
IT0002150

Impianto ibrido tipo Hybridcell-LS con Vitocal 200-S 201.D in abbinamento a Vitodens 200-W B2HF/B2HH per produzione sanitaria con Solarcell MAX. Gestione climatica riscaldamento di un circuito diretto AT (A1 caldaia) di un circuito diretto MT (CR1 PdC) e di due circuiti miscelati (CR2/CR3 PdC).

Numero di distinte: 3

Vitocal 200-S 201.D Vitodens 200-W B2HF/B2HH
logo 2 logo 2
IT0002152
IT0002152

Impianto con Vitocal 200-S 201.D per produzione sanitaria con Solarcell MAX in abbinamento ad impianto solare termico. Gestione caldo/freddo di due miscelati radianti (CRF2 e CRF3) e di un diretto freddo (CF1) con contatti Smart Home di avvio da termoregolazione esterna ambienti..

Numero di distinte: 1

Vitocal 200-S 201.D Vitosol 100/200-FM
logo 1 logo 2
IT0002155
IT0002155

Impianto ibrido tipo Hybridcell-LS con Vitocal 100-S 101.A/B in abbinamento a Vitodens 100-W B1HF/B1HG per produzione sanitaria con Solarcell MAX. Gestione climatica riscaldamento di un circuito diretto (CR1) e di due circuiti miscelati (CR2/CR3).

Numero di distinte: 1

Vitocal 100-S 101.A/B Vitodens 100-W B1HF/B1HG
logo 1 logo 2
IT0002167
IT0002167

Esempio d'impianto VRF con pompa di calore a flusso orizzontale Vitoclima 333-S Mini/Slim. Distribuzione linea frigo a due tubi per riscaldamento/raffrescamento ambienti.

Numero di distinte: 0

Vitoclima 333-S Mini/Slim
IT0002168
IT0002168

Esempio d'impianto VRF a flusso verticale Vitoclima 333-S. Distribuzione linea frigo a due tubi per riscaldamento / raffrescamento ambienti.

Numero di distinte: 0

Vitoclima 333-S
IT0002170
IT0002170

Impianto con Vitocal 111-S 111.A/B, bollitore sanitario integrato e kit integrazione solare termico. Termoregolazione esterna ambienti con start inverno e start estate con valvola deviatrice su montante

Numero di distinte: 1

Vitocal 111-S 111.A/B Vitosol 100/200-FM
logo 1 logo 1
IT0002171
IT0002171

Impianto con Vitocal 111-S 111.A/B con bollitore sanitario integrato. Gestione climatica riscaldamento/raffrescamento di impianto radiante con deumidificatore ad espansione diretta

Numero di distinte: 3

Vitocal 111-S 111.A/B
logo 1
IT0002179
IT0002179

Impianto con Vitocal 111-S 111.A/B con bollitore sanitario integrato e kit integrazione solare termico. Gestione climatica riscaldamento/raffrescamento di impianto radiante con deumidificatore ad espansione diretta.

Numero di distinte: 1

Vitocal 111-S 111.A/B Vitosol 100/200-FM
logo 1
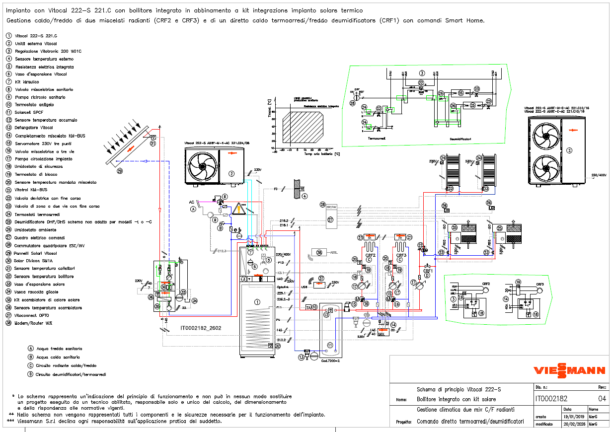
IT0002182
IT0002182

Impianto con Vitocal 222-S 221.C con bollitore integrato in abbinamento a kit integrazione impianto solare termico. Gestione climatica caldo/freddo di due miscelati radianti (CRF2 e CRF3). Gestione di un diretto caldo termoarredi/freddo deumidificatore (CRF1) con comandi Smart Home.

Numero di distinte: 1

Vitocal 222-S 221.C Vitosol 100/200-FM
logo 1 logo 2
IT0002183
IT0002183

Impianto con Vitocal 222-S 221.C con bollitore integrato in abbinamento a kit integrazione impianto solare termico. Gestione caldo/freddo di due miscelati (CRF2 e CRF3) per radiante e di un diretto (CRF1) per ventilconvettori con contatti Smart Home di avvio da termoregolazione esterna ambienti.

Numero di distinte: 1

Vitocal 222-S 221.C Vitosol 100/200-FM
logo 1 logo 2
IT0002185
IT0002185

Impianto con Vitodens 200-W B2HA 49-150 kW con gestione climatica di due circuiti di riscaldamento miscelati e di un diretto. Produzione di acqua calda sanitaria con Vitotrans 353 PBxA.

Numero di distinte: 1

Vitodens 200-W B2HA 49-60 kW Vitodens 200-W B2HA 80-99 kW Vitodens 200-W B2HA 120-150 kW
logo 1 logo 2
IT0002187
IT0002187

Impianto con Vitocal 111-S 111.A/B per produzione sanitaria con bollitore integrato e kit integrazione solare termico. Gestione caldo/freddo di due miscelati (CRF2 e CRF3) per radiante e di un diretto (CRF1) per ventilconvettori con contatti Smart Home di avvio da termoregolazione esterna ambienti.

Numero di distinte: 1

Vitocal 111-S 111.A/B Vitosol 100/200-FM
logo 1 logo 2
IT0002188
IT0002188

Impianto con Vitocal 100-S 101.A/B per sanitario con Solarcell WPU. Termoregolazione esterna ambienti/circuiti con comandi Smart Home per avvio inverno e avvio estate.

Numero di distinte: 3

Vitocal 100-S 101.A/B
logo 1
IT0002189
IT0002189

Impianto con Vitocal 111-S 111.A/B per produzione sanitaria con bollitore integrato e kit integrazione solare termico. Termoregolazione esterna ambienti con comandi di avvio inverno ed avvio estate.

Numero di distinte: 1

Vitocal 111-S 111.A/B Vitosol 100/200-FM
logo 1
IT0002192
IT0002192

Impianto con Vitocal 200-S 201.D in cascata per produzione sanitaria mediante più Vitocell 100-V in perfetto parallelo idraulico. Gestione caldo/freddo di due miscelati radianti (CRF2 e CRF3) e di un diretto freddo (CF1) con contatti Smart Home di avvio da termoregolazione esterna ambienti.

Numero di distinte: 1

Vitocal 200-S 201.D
logo 1 logo 2
IT0002193
IT0002193

Impianto con Vitocal 222-S 221.C con bollitore integrato in abbinamento a kit integrazione impianto solare termico. Gestione di due radianti caldo (CR2+CR3) e di un ventilcovettore freddo/opzione caldo (CRF1) con comandi Smart Home per avvio circuiti.

Numero di distinte: 1

Vitocal 222-S 221.C Vitosol 100/200-FM
logo 1 logo 2