Guest User
  • Sistemi Hybrid (119)
    • Hybrid PRO certificato (29)
    • Hybrid residenziale certificato (90)

  • Generatori (518)
    • Climatizzatori VRF (4)
    • Generatori Gas-Gasolio (320)
    • Generatori a Biomassa (43)
    • Generatori elettrici (21)
    • Pompe di calore (300)

  • Solare termico (196)
      • Vitosol 100/200-FM (197)

  • Produzione sanitaria (469)
    • Accumulo combinato con produzione istantanea (23)
    • Accumulo tecnico con produttore istantaneo (84)
    • Bollitore bivalente (157)
    • Bollitore monovalente (100)
    • Sistemi con scambiatore esterno per accumuli sanitari (33)
    • Sistemi integrati nel generatore (105)

  • Circuiti (479)
      • Diretto Caldo (223)
      • Diretto Caldo/Freddo (155)
      • Diretto Freddo (24)
      • Miscelato Caldo (246)
      • Miscelato Caldo/Freddo (50)

  • Regolazioni (474)
    • Regolazioni ambienti (281)
    • Regolazioni generatori (390)
    • Regolazioni impianti (281)

  • Ventilazione meccanica controllata (5)
      • Unità  HRI (3)
      • Vitoclima Micro DX (2)

  • Completamenti d'impianto (36)
    • Altri completamenti d'impianto (2)
    • Sistemi stoccaggio pellet (7)
    • Terminali (27)

  • Altro (473)
    • Termoregolazione (473)
      • Vi-Energy Plan (21)

Elenco Schemi

Risultato: 535 schemi
IT0001348
IT0001348

Impianto con Vitocal 300/350-G in versione acqua/acqua in abbinamento a Vitodens 200-W B2HF/B2HH. Produzione sanitaria con lancia di carico e Vitocell 100-V. Gestione climatica riscaldamento di un circuito diretto e di due circuiti miscelati.Polivalenza idraulica a recupero totale in active cooling per produzione acqua refrigerata in puffer separato per circuito freddo.

Numero di distinte: 3

Vitocal 300-G 301.A21-45 Vitocal 350-G 351.B Vitodens 200-W B2HF/B2HH
logo 1 logo 1 logo 2
IT0001350
IT0001350

Impianto con Vitocal 300/350-G per sanitario con scambiatore esterno, lancia di carico e Vitocell 100-V in abbinamento ad impianto solare termico. Gestione climatica riscaldamento di due miscelati ed un diretto.

Numero di distinte: 6

Vitocal 300-G 301.A21-45 Vitocal 350-G 351.B Vitosol 100/200-FM
logo 1 logo 2
IT0001353
IT0001353

Impianto con Vitocal 300/350-G per produzione sanitaria con Vitotrans 353 PBxA. Gestione climatica di circuito diretto (CR1) e due circuiti miscelati (CR2+CR3).

Numero di distinte: 3

Vitocal 300-G 301.A21-45 Vitocal 350-G 351.B
logo 1 logo 2
IT0001362
IT0001362

Impianto centralizzato con Vitocal 300/350-G in abbinamento a Vitodens 200-W B2HF/B2HH. Riscaldamento con gestione pompa montante. Sanitario con scambiatore esterno e lancia di carico con Vitocell 100-B in abbinamento ad impianto solare termico.

Numero di distinte: 2

Vitocal 300-G 301.A21-45 Vitocal 350-G 351.B Vitodens 200-W B2HF/B2HH Vitosol 100/200-FM
logo 1
IT0001411
IT0001411

Impianto con Energycal AW/AWH PRO in abbinamento a Vitodens 200-W B2HA climatica. Produzione sanitaria con preriscaldo da PdC in abbinamento a Vitotrans 353 PBxA. Termoregolazione esterna ambienti con gestione circuiti misti BT/MT caldi/freddi.

Numero di distinte: 1

Energycal AW/AWH PRO Vitodens 200-W B2HA 49-60 kW Vitodens 200-W B2HA 80-99 kW Vitodens 200-W B2HA 120-150 kW
logo 1
IT0001444
IT0001444

Impianto con Energycal Inverter/AW PRO AT per riscaldamento/raffreddamento. Vitodens 200-W B2HA 49-60 kW climatica con gestione miscela e produzione sanitaria in abbinamento ad impianto solare termico. Termoregolazione esterna ambienti/circuiti con comandi EST/INV e START/STOP a PdC.

Numero di distinte: 1

Energycal AW PRO AT 7.1-41.1 Energycal Inverter Vitodens 200-W B2HA 49-60 kW Vitosol 100/200-FM
logo 2
IT0001448
IT0001448

Impianto con Energycal Inverter/AW PRO AT per riscaldamento/raffreddamento. Vitodens 200-W B2HF/B2HH con gestione miscela e produzione sanitaria in abbinamento ad impianto solare termico. Termoregolazione esterna ambienti e circuiti.

Numero di distinte: 1

Energycal Inverter Energycal AW PRO AT 7.1-41.1 Vitodens 200-W B2HF/B2HH Vitosol 100/200-FM
logo 2
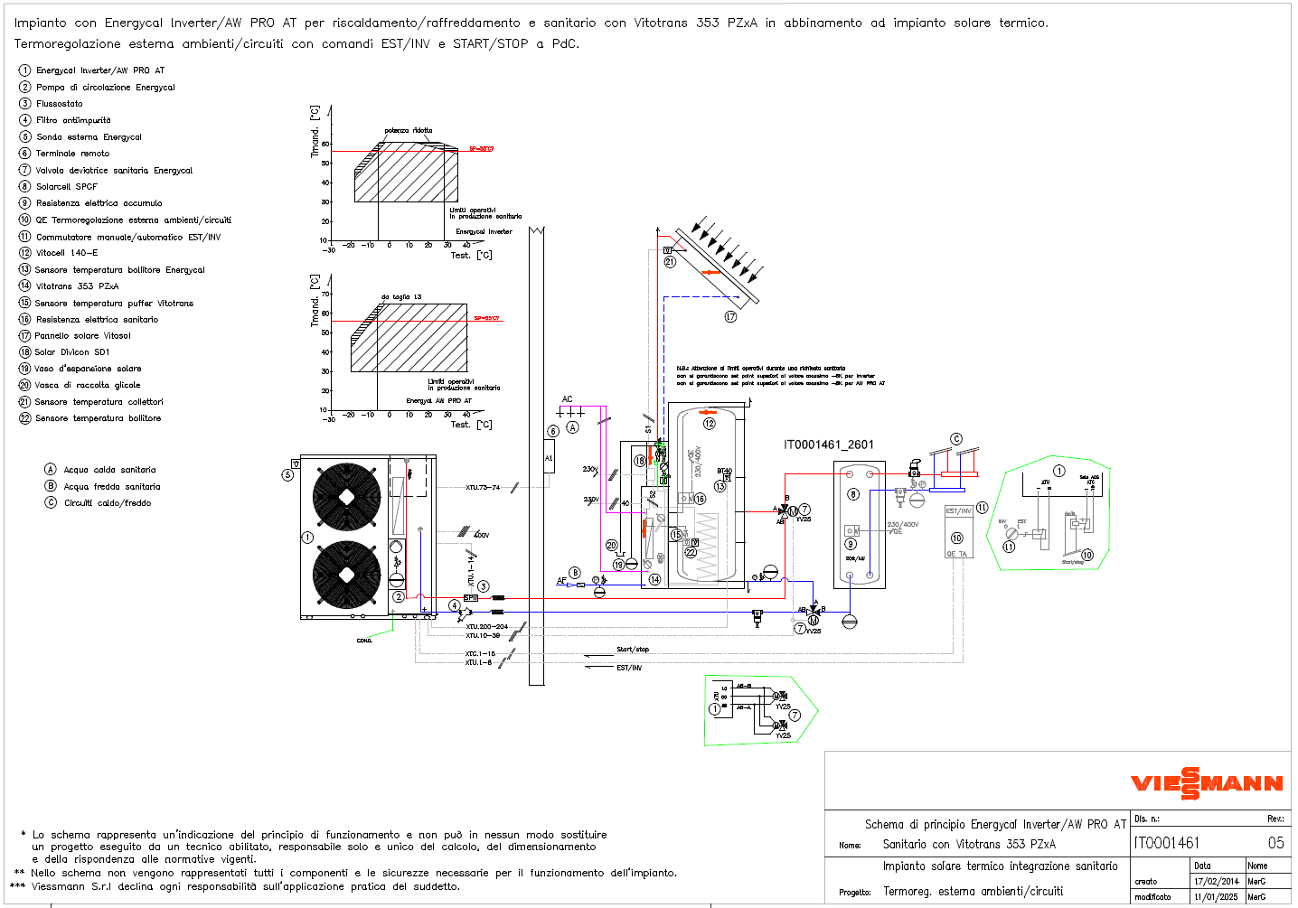
IT0001461
IT0001461

Impianto con Energycal Inverter/AW PRO AT per riscaldamento/raffreddamento e sanitario con Vitotrans 353 PZxA in abbinamento ad impianto solare termico. Termoregolazione esterna ambienti/circuiti con comandi EST/INV e START/STOP a PdC.

Numero di distinte: 2

Energycal Inverter Energycal AW PRO AT 7.1-41.1 Vitosol 100/200-FM
logo 1
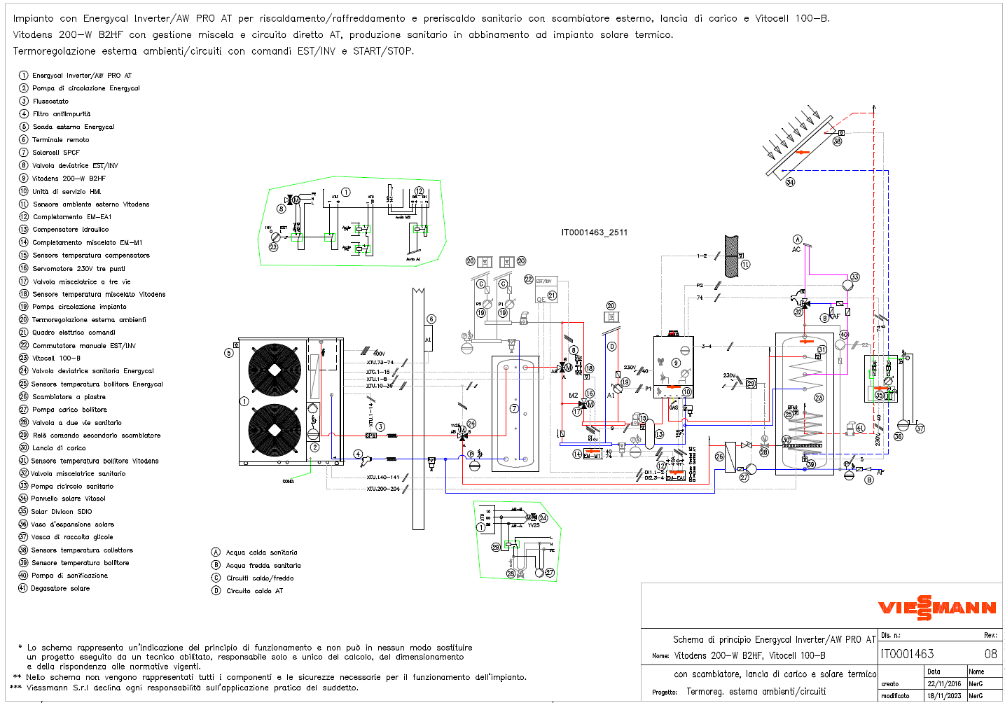
IT0001463
IT0001463

Impianto con Energycal Inverter/AW PRO AT per riscaldamento/raffreddamento e sanitario con lancia di carico e Vitocell 100-B. Vitodens 200-W B2HF/B2HH con gestione miscela e produzione sanitaria in abbinamento ad impianto solare termico. Termoregolazione esterna ambienti/circuiti con comandi EST/INV e Start/Stop a PdC; richiesta di avvio alta temperatura a caldaia.

Numero di distinte: 1

Energycal Inverter Energycal AW PRO AT 7.1-41.1 Vitodens 200-W B2HF/B2HH Vitosol 100/200-FM
logo 1 logo 2
IT0001465
IT0001465

Impianto con Energycal Inverter/AW PRO AT in abbinamento a Vitodens 200-W B2HF/B2HH. Produzione sanitaria con preriscaldo da PdC in abbinamento a Solarcell MAX in parallelo. Termoregolazione esterna ambienti/circuiti con comandi di ON/OFF ed EST/INV.

Numero di distinte: 1

Energycal Inverter Energycal AW PRO AT 7.1-41.1 Vitodens 200-W B2HF/B2HH
logo 2
IT0001492
IT0001492

Impianto con Energycal AW/AWH PRO in abbinamento a Vitodens 200-W B2HA climatica. Produzione sanitaria con preriscaldo da PdC in abbinamento a Vitotrans 353 PBxA in cascata. Termoregolazione esterna ambienti con gestione circuiti misti BT/MT caldi/freddi (opzionale circuito AT di caldaia).

Numero di distinte: 1

Energycal AW/AWH PRO Vitodens 200-W B2HA 120-150 kW Vitodens 200-W B2HA 80-99 kW Vitodens 200-W B2HA 49-60 kW
logo 1 logo 1
IT0001493
IT0001493

Impianto con Energycal AW/AWH PRO DWS a recupero totale in abbinamento a Vitodens 200-W. Produzione sanitaria in abbinamento a Vitotrans 353 PBxA. Termoregolazione esterna ambienti con gestione circuiti caldi/freddi.

Numero di distinte: 1

Energycal AW/AWH PRO DWS Vitodens 200-W B2HA 49-60 kW Vitodens 200-W B2HA 80-99 kW Vitodens 200-W B2HA 120-150 kW
logo 2
IT0001495
IT0001495

Impianto con Energycal AW/AWH PRO DWS a recupero totale in abbinamento a Vitodens 200-W. Produzione sanitaria in abbinamento a Vitotrans 353 PBxA in cascata. Termoregolazione esterna ambienti con gestione circuiti misti BT/MT caldi/freddi (opzionale circuito AT di caldaia).

Numero di distinte: 1

Energycal AW/AWH PRO DWS Vitodens 200-W B2HA 120-150 kW Vitodens 200-W B2HA 80-99 kW Vitodens 200-W B2HA 49-60 kW
logo 2 logo 1
IT0001496
IT0001496

Impianto con Vitocal 100-S 101.A/B in abbinamento a termoregolazione esterna ambienti/circuiti con comandi Smart Home per avvio inverno ed avvio estate.

Numero di distinte: 1

Vitocal 100-S 101.A/B
logo 1
IT0001497
IT0001497

Impianto con Vitocal 100-S 101.A/B per produzione sanitaria con Solarcell MAX in abbinamento a solare termico. Gestione climatica riscaldamento/raffrescamento in diretta a pavimento con deumidificatore ad espansione diretta

Numero di distinte: 1

Vitocal 100-S 101.A/B Vitosol 100/200-FM
logo 1
IT0001498
IT0001498

Impianto con Vitocall 100-S 101.A/B per produzione sanitaria con Solarcell MAX in abbinamento ad impianto solare termico. Gestione due miscelati radianti caldi(CR2 e CR3) e un diretto ventil caldo/freddo (CRF1) con comandi Smart Home da Termoregolazione esterna ambienti.

Numero di distinte: 1

Vitocal 100-S 101.A/B Vitosol 100/200-FM
logo 1 logo 2
IT0001499
IT0001499

Impianto con Vitocal 100-S 101.A/B per produzione sanitaria con Solarcell MAX in abbinamento ad impianto solare termico. Termoregolazione esterna ambienti con comandi Smart Home per avvio inverno ed avvio estate con inerziale sul ritorno.

Numero di distinte: 1

Vitocal 100-S 101.A/B Vitosol 100/200-FM
logo 1
IT0001500
IT0001500

Impianto con Vitocal 100-S AWB-E per produzione sanitaria con Solarcell MAX in abbinamento ad impianto solare termico. Gestione climatica riscaldamento di un circuito diretto (CR1) e di due circuiti miscelati (CR2/CR3).

Numero di distinte: 1

Vitocal 100-S 101.A/B Vitosol 100/200-FM
logo 1 logo 2
IT0001666
IT0001666

Impianto con Vitoligno 300-C 8-12 kW per riscaldamento con gestione climatica di due circuiti miscelati. Produzione ACS con Vitocell 100-V

Numero di distinte: 1

Vitoligno 300-C 8-12 kW
logo 2
IT0001669
IT0001669

Impianto con Vitoligno 300-C 8-12 kW per riscaldamento con gestione climatica di due circuiti miscelati. Produzione ACS con Vitocell 100-B in abbinamento ad impianto solare termico.

Numero di distinte: 1

Vitoligno 300-C 8-12 kW Vitosol 100/200-FM
logo 2
IT0001672
IT0001672

Impianto con Vitoligno 300-C_12 kW per riscaldamento con gestione climatica di due circuiti miscelati. Produzione ACS con Vitotrans 353 PZxA.

Numero di distinte: 2

Vitoligno 300-C 8-12 kW
logo 2
IT0001673
IT0001673

Impianto con Vitoligno 300-C_12 kW per riscaldamento con gestione climatica di due circuiti miscelati. Produzione ACS con Vitotrans 353 PZxA in abbinamento ad impianto solare termico.

Numero di distinte: 1

Vitoligno 300-C 8-12 kW Vitosol 100/200-FM
logo 2
IT0001678
IT0001678

Impianto con Vitoligno 300-C_12 kW per riscaldamento con gestione climatica di due circuiti miscelati. Produzione sanitaria con Vitocell 340-M in abbinamento ad impianto solare termico.

Numero di distinte: 1

Vitoligno 300-C 8-12 kW Vitosol 100/200-FM
logo 2
IT0001680
IT0001680

Impianto con Vitoligno 300-C 18-32 kW per riscaldamento con gestione climatica di due circuiti miscelati. Produzione sanitaria mediante Vitocell 100-V

Numero di distinte: 1

Vitoligno 300-C 18-48 kW
logo 2