Guest User
  • Sistemi Hybrid (120)
    • Hybrid PRO certificato (29)
    • Hybrid residenziale certificato (91)

  • Generatori (517)
    • Climatizzatori VRF (4)
    • Generatori Gas-Gasolio (317)
    • Generatori a Biomassa (45)
    • Generatori elettrici (21)
    • Pompe di calore (299)

  • Solare termico (193)
      • Vitosol 100/200-FM (193)

  • Produzione sanitaria (469)
    • Accumulo combinato con produzione istantanea (24)
    • Accumulo tecnico con produttore istantaneo (87)
    • Bollitore bivalente (152)
    • Bollitore monovalente (103)
    • Sistemi con scambiatore esterno per accumuli sanitari (31)
    • Sistemi integrati nel generatore (104)

  • Circuiti (478)
      • Diretto Caldo (223)
      • Diretto Caldo/Freddo (148)
      • Diretto Freddo (25)
      • Miscelato Caldo (253)
      • Miscelato Caldo/Freddo (48)

  • Regolazioni (471)
    • Regolazioni ambienti (290)
    • Regolazioni generatori (388)
    • Regolazioni impianti (272)

  • Ventilazione meccanica controllata (5)
      • Unità  HRI (3)
      • Vitoclima Micro DX (2)

  • Completamenti d'impianto (34)
    • Altri completamenti d'impianto (2)
    • Sistemi stoccaggio pellet (7)
    • Terminali (25)

  • Altro (473)
    • Termoregolazione (473)
      • Vi-Energy Plan (18)

Elenco Schemi

Risultato: 531 schemi
IT0002975
IT0002975

Impianto con Vitocal 250-A V105 per produzione sanitaria con Vitocell 100-E e Vitotrans 353 PZxA. Gestione climatica riscaldamento di circuito diretto e di tre circuiti miscelati con Vitotrol 100-EH.

Numero di distinte: 1

Vitocal 250-A V105
logo 1 logo 3
IT0002976
IT0002976

Impianto ibrido tipo Hybridcell-MA One Base con Vitocal 250-A Modular in abbinamento a Vitodens 200-W B2HH. Produzione sanitaria con Solarcell MAX HPI. Gestione climatica riscaldamento di circuito diretto e di tre circuiti miscelati radiante con consensi da termoregolazione ambienti esterna.

Numero di distinte: 1

Vitocal 250-A Modular V101 Vitodens 200-W B2HF/B2HH
logo 1 logo 3
IT0002977
IT0002977

Hybrid PRO-BE Certificato - Imp. Ibrido Vitocal 100/200-A PRO- Vitocal 100-AT PRO, Vitocrossal 100CIB da 80 kW fino a 320 kW versione Unit, in Box da esterno e Hybridcell MAX da esterno. Controllo temperatura ambienti tramite termoregolazione esterna ambiente /circuiti

Numero di distinte: 1

Vitocal 100-AT PRO Vitocal 100-A PRO MT Vitocal 200-A PRO MT Vitocrossal 100 CIB da esterno
logo 2
IT0002978
IT0002978

Impianto con Vitocal 250-A Modular per produzione sanitaria con Vitocell 100-V CVWx. Gestione climatica riscaldamento di circuito diretto e di tre circuiti miscelati radiante con consensi da termoregolazione ambienti esterna.

Numero di distinte: 1

Vitocal 250-A Modular V101
logo 3 logo 1
IT0002980
IT0002980

Impianto ibrido per centralizzato tipo Hybridcell-LA One Base con Vitocal 150-A Modular V101/10-16 in abbinamento a Vitodens 200-W B2HA>35 kW. Produzione sanitaria con Solarcell MAX HPI in parallelo idraulico. Gestione climatica riscaldamento di circuito diretto.

Numero di distinte: 1

Vitocal 150-A Modular V101 Vitodens 200-W B2HA 49-60 kW Vitodens 200-W B2HA 80-99 kW Vitodens 200-W B2HA 120-150 kW
logo 1
IT0002982
IT0002982

Impianto con Vitocal 250-A Modular per produzione sanitaria con Solarcell MAX HP in abbinamento ad impianto solare termico. Gestione climatica di circuito diretto caldo/freddo ventil e di tre circuiti miscelati caldi per radiante con consensi da termoregolazione ambienti esterna.

Numero di distinte: 1

Vitocal 250-A Modular V101 Vitosol 100/200-FM
logo 1 logo 3
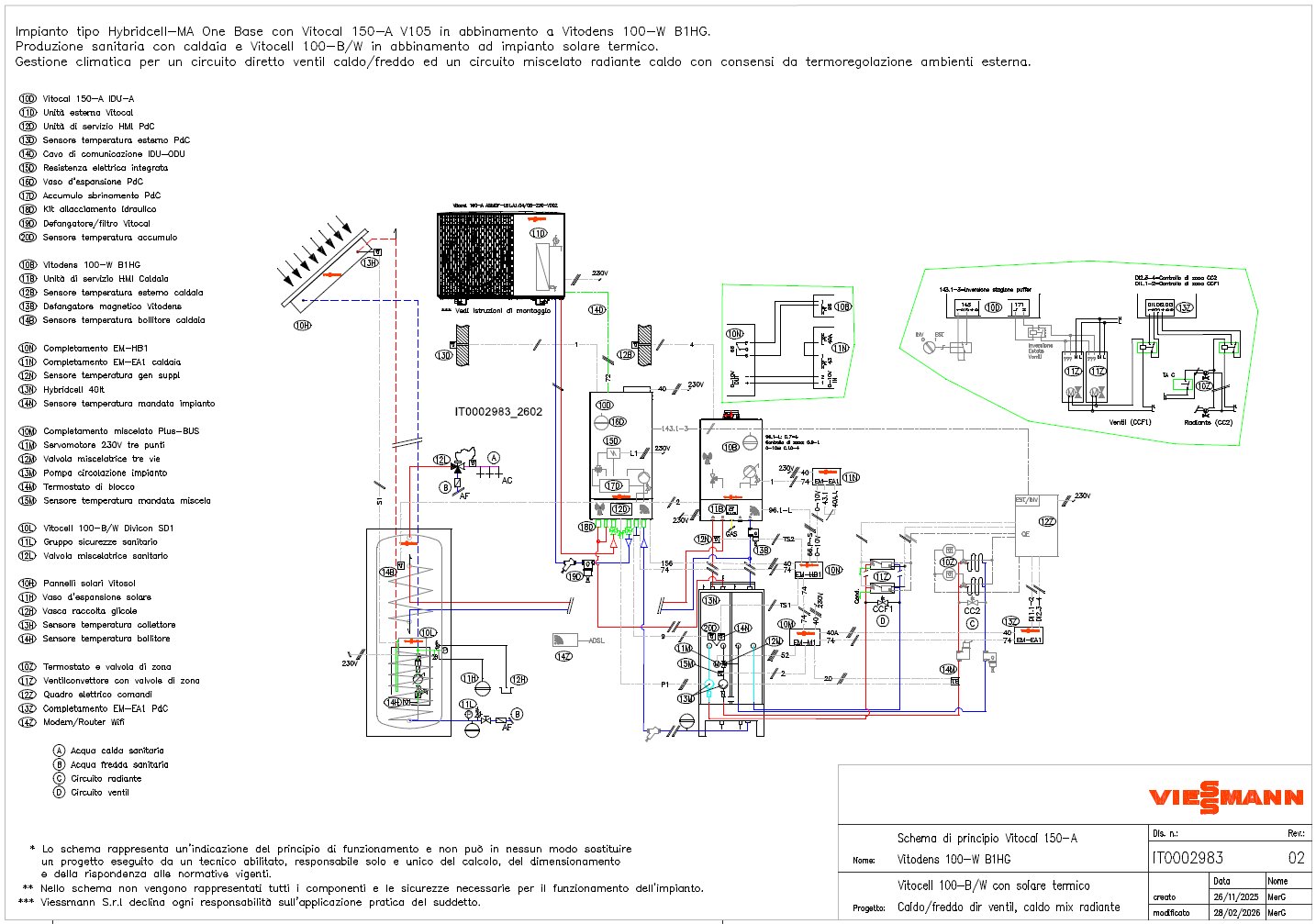
IT0002983
IT0002983

Impianto ibrido tipo Hybridcell-MA One Base con Vitocal 150-A V105 in abbinamento a Vitodens 100-W B1HG. Produzione sanitaria con caldaia e Vitocell 100-B/W in abbinamento ad impianto solare termico. Gestione climatica per un circuito diretto ventil caldo/freddo ed un circuito miscelato radiante caldo con consensi da termoregolazione ambienti esterna.

Numero di distinte: 1

Vitocal 150-A V105 Vitodens 100-W B1HF/B1HG Vitosol 100/200-FM
logo 1 logo 1
IT0002984
IT0002984

Impianto con Vitocal 250-A Modular per produzione sanitaria con Vitocell 100-V CVWB in abbinamento a Vitocal 262-A T2W R290. Gestione climatica di circuito diretto caldo/freddo ventil e di tre circuiti miscelati caldi per radiante con consensi da termoregolazione ambienti esterna.

Numero di distinte: 1

Vitocal 250-A Modular V101 Vitocal 262-A R290
logo 1 logo 3
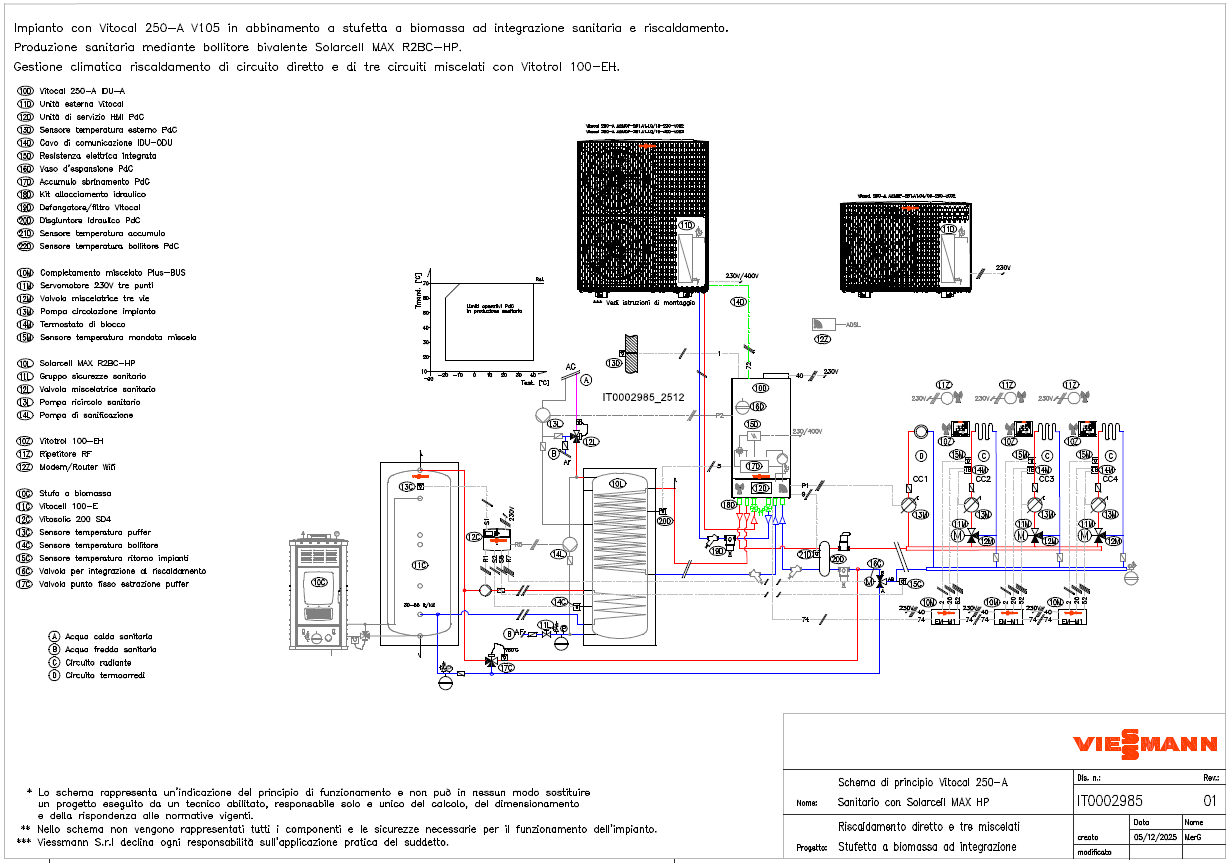
IT0002985
IT0002985

Impianto con Vitocal 250-A V105 in abbinamento a stufetta a biomassa ad integrazione sanitaria e riscaldamento. Produzione sanitaria mediante bollitore bivalente Solarcell MAX R2BC-HP. Gestione climatica riscaldamento di circuito diretto e di tre circuiti miscelati con Vitotrol 100-EH.

Numero di distinte: 1

Vitocal 250-A V105 Biomassa generica
logo 1 logo 3
IT0002988
IT0002988

Impianto ibrido tipo Vitocal 250-A Kit Hybrid-EQ con Vitocal 250-A Hybrid in abbinamento a Vitodens 100-W B1HG. Produzione sanitaria ibrida con bollitore a serpentino maggiorato Vitocell 100-V CVWx. Gestione climatica riscaldamento di circuito diretto e di tre circuiti miscelati con Vitotrol 100-EH.

Numero di distinte: 1

Vitocal 250-A Hybrid Vitodens 100-W B1HF/B1HG
logo 1 logo 3
IT0002990
IT0002990

Impianto con Vitoligno 200-C 20-30 kW per riscaldamento con gestione climatica di due circuiti miscelati. Il generatore di calore riscalda sempre il puffer dal quale l'impianto va a prelevare. Produzione sanitaria con Vitocal 060-A TOS-ze R290 con funzione di trasferimento da puffer biomassa.

Numero di distinte: 3

Vitoligno 200-C 20-30 kW Vitocal 060-A R290
logo 2
IT0002991
IT0002991

Impianto con Vitoligno 200-C 20-30 kW per riscaldamento con gestione climatica di due circuiti miscelati. Il generatore di calore riscalda sempre il puffer dal quale l'impianto va a prelevare.

Numero di distinte: 3

Vitoligno 200-C 20-30 kW
logo 2
IT0002992
IT0002992

Impianto con Vitocal 150-A V101 Modular per solo riscaldamento/raffreddamento. Gestione climatica di riscaldamento/raffreddamento per un circuito diretto ventil e tre circuiti miscelati radiante con consensi da termoregolazione ambienti esterna.

Numero di distinte: 1

Vitocal 150-A Modular V101
logo 1 logo 3
IT0002993
IT0002993

Impianto con Vitocal 250-A Modular V101 per solo riscaldamento/raffreddamento. Gestione climatica di riscaldamento/raffreddamento per un circuito diretto ventil e tre circuiti miscelati radiante con consensi da termoregolazione ambienti esterna.

Numero di distinte: 1

Vitocal 250-A Modular V101
logo 1 logo 3
IT0002994
IT0002994

Impianto ibrido tipo Hybridcell-LA One Base con Vitocal 250-A Modular V101 in abbinamento a Vitorondens 200-T BR2A <35 kW. Produzione sanitaria con Solarcell MAX HPI. Gestione climatica riscaldamento di circuito diretto e di tre circuiti miscelati radiante con consensi da termoregolazione ambienti esterna.

Numero di distinte: 1

Vitocal 250-A Modular V101 Vitorondens 200-T BR2A
logo 1 logo 3
IT0002995
IT0002995

Impianto con Vitocal 250-A Modular V101 in abbinamento a stufetta a biomassa e solare termico per integrazione sanitaria e riscaldamento con Solarcell Total. Produzione sanitaria PdC tramite Solarcell WPU. Gestione climatica di circuito diretto caldo/freddo ventil e di tre circuiti miscelati caldi per radiante con consensi da termoregolazione ambienti esterna.

Numero di distinte: 1

Vitocal 250-A Modular V101 Vitosol 100/200-FM Biomassa generica
logo 1 logo 3
IT0002996
IT0002996

Impianto con Vitocal 250-A Compact V109 per produzione sanitaria con bollitore sanitario integrato. Gestione climatica riscaldamento di circuito diretto e di tre circuiti miscelati con Vitotrol 100-EH.

Numero di distinte: 1

Vitocal 250-A Compact V109
logo 1 logo 3
IT0002999
IT0002999

Impianto con Vitocal 250-A Compact V109 per produzione sanitaria con bollitore sanitario integrato. Gestione climatica riscaldamento di circuito in diretta con Vitotrol 300-E.

Numero di distinte: 1

Vitocal 250-A Compact V109
logo 1
IT0003002
IT0003002

Vitocal 250-A PRO in cascata elettronica, impianto solo caldo con Vitocrossal 100 CIB per supporto riscaldamento e sanitario. Produzione sanitaria mediante Vitotrans 353 PBXA in cascata.

Numero di distinte: 1

Vitocal 250-A PRO Vitocrossal 100 CIB
logo 3
IT0003004
IT0003004

Impianto con Vitocal 250-A Modular V101 con produzione sanitaria in abbinamento a Vitocell 100-V CVWx. Gestione climatica di riscaldamento/raffreddamento per un circuito diretto ventil e tre circuiti miscelati radiante con consensi da termoregolazione ambienti esterna.

Numero di distinte: 1

Vitocal 250-A Modular V101
logo 1 logo 3
IT0003007
IT0003007

Vitocal 250-A PRO in cascata elettronica, impianto solo caldo. Produzione sanitaria mediante Vitotrans 353 PBXA in cascata.

Numero di distinte: 1

Vitocal 250-A PRO
logo 3
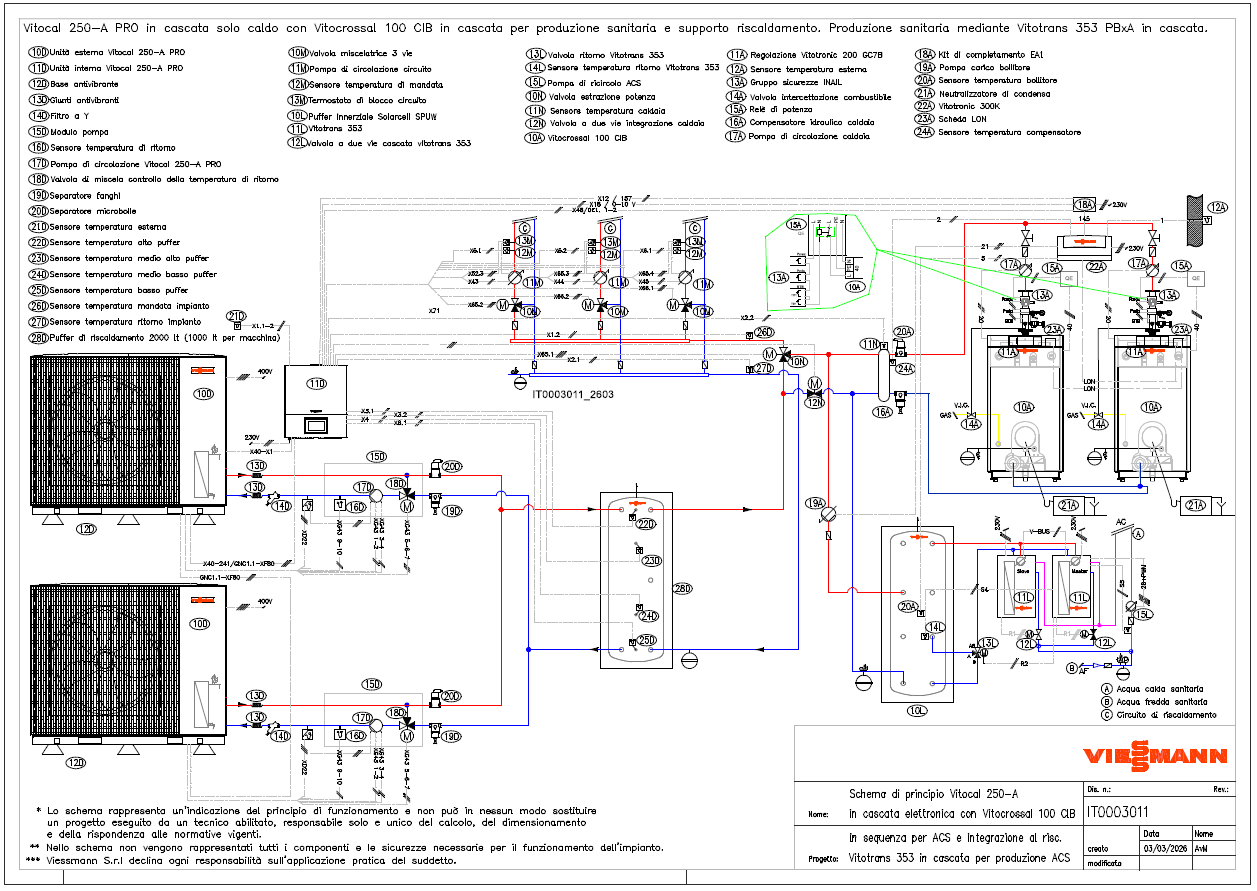
IT0003011
IT0003011

Vitocal 250-A PRO in cascata solo caldo con Vitocrossal 100 CIB in cascata per produzione sanitaria e supporto riscaldamento. Produzione sanitaria mediante Vitotrans 353 PBxA in cascata.

Numero di distinte: 1

Vitocal 250-A PRO Vitocrossal 100 CIB
logo 3
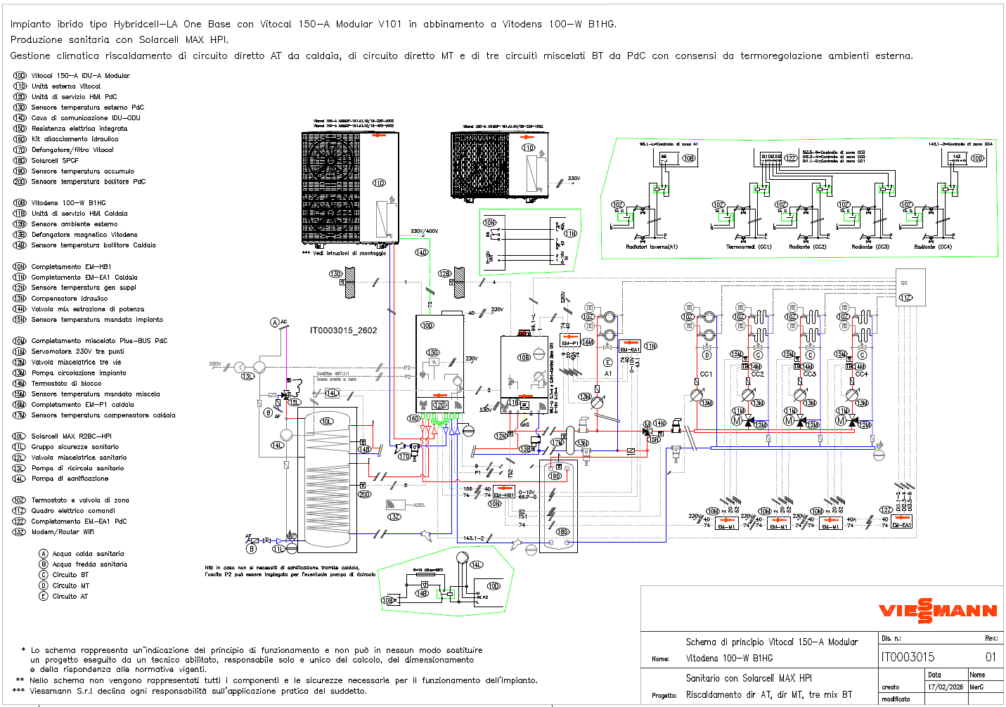
IT0003015
IT0003015

Impianto ibrido tipo Hybridcell-LA One Base con Vitocal 150-A Modular V101 in abbinamento a Vitodens 100-W B1HG. Produzione sanitaria con Solarcell MAX HPI. Gestione climatica riscaldamento di circuito diretto AT da caldaia, di circuito diretto MT e di tre circuiti miscelati BT da PdC con consensi da termoregolazione ambienti esterna.

Numero di distinte: 1

Vitocal 150-A Modular V101 Vitodens 100-W B1HF/B1HG
logo 2 logo 3
IT0003025
IT0003025

Impianto con Vitocal 150-A Modular V101 con produzione sanitaria in abbinamento a Vitocell 100-V CVWx. Gestione climatica di riscaldamento/raffreddamento per un circuito diretto ventil e tre circuiti miscelati radiante con consensi da termoregolazione ambienti esterna.

Numero di distinte: 1

Vitocal 150-A Modular V101
logo 1 logo 3