Guest User
  • Sistemi Hybrid (119)
    • Hybrid PRO certificato (29)
    • Hybrid residenziale certificato (90)

  • Generatori (518)
    • Climatizzatori VRF (4)
    • Generatori Gas-Gasolio (320)
    • Generatori a Biomassa (43)
    • Generatori elettrici (21)
    • Pompe di calore (300)

  • Solare termico (196)
      • Vitosol 100/200-FM (197)

  • Produzione sanitaria (469)
    • Accumulo combinato con produzione istantanea (23)
    • Accumulo tecnico con produttore istantaneo (84)
    • Bollitore bivalente (157)
    • Bollitore monovalente (100)
    • Sistemi con scambiatore esterno per accumuli sanitari (33)
    • Sistemi integrati nel generatore (105)

  • Circuiti (479)
      • Diretto Caldo (223)
      • Diretto Caldo/Freddo (155)
      • Diretto Freddo (24)
      • Miscelato Caldo (246)
      • Miscelato Caldo/Freddo (50)

  • Regolazioni (474)
    • Regolazioni ambienti (281)
    • Regolazioni generatori (390)
    • Regolazioni impianti (281)

  • Ventilazione meccanica controllata (5)
      • Unità  HRI (3)
      • Vitoclima Micro DX (2)

  • Completamenti d'impianto (36)
    • Altri completamenti d'impianto (2)
    • Sistemi stoccaggio pellet (7)
    • Terminali (27)

  • Altro (473)
    • Termoregolazione (473)
      • Vi-Energy Plan (21)

Elenco Schemi

Risultato: 535 schemi
IT0002952
IT0002952

Impianto con Vitoligno 300-C 18-32 kW per riscaldamento con gestione climatica di due circuiti miscelati. Produzione sanitaria con VVitocal 060-A R290, con funzione di trasferimento da puffer biomassa.

Numero di distinte: 1

Vitoligno 300-C 18-48 kW Vitocal 060-A R290
logo 2
IT0002958
IT0002958

Impianto ibrido tipo Hybridcell-LA One Base con Vitocal 250-A Modular in abbinamento a Vitodens 200-W B2HH. Produzione sanitaria con Solarcell MAX HPI. Gestione climatica riscaldamento di circuito diretto e di tre circuiti miscelati radiante con consensi da termoregolazione ambienti esterna.

Numero di distinte: 1

Vitocal 250-A Modular V101 Vitodens 200-W B2HF/B2HH
logo 1 logo 3
IT0002960
IT0002960

Impianto con Vitocal 200-S 201.E per produzione sanitaria in abbinamento a Vitocell 100-V CVWx. Gestione caldo/freddo su puffer disgiuntore con cambio stagione e consenso di avviamento da termoregolazione esterna ambienti/circuiti.

Numero di distinte: 1

Vitocal 200-S 201.E
logo 0
IT0002961
IT0002961

Impianto ibrido tipo Hybridcell-LA One Base con Vitocal 150-A Modular in abbinamento a Vitodens 100-W B1HG. Produzione sanitaria con Solarcell MAX HPI. Gestione climatica riscaldamento di circuito diretto e di tre circuiti miscelati radiante con consensi da termoregolazione ambienti esterna.

Numero di distinte: 1

Vitocal 150-A Modular V101 Vitodens 100-W B1HF/B1HG
logo 3 logo 1
IT0002962
IT0002962

Imp. Ibrido Vitocal 100-AT PRO e Vitocal 100/200 -A PRO, Vitocrossal 300 CI3 e Hybridcell MAX. Produzione sanitaria con Solarcell SPUW e Vitotrans 353 e impianto solare con Vitosol 100/200. Controllo temperatura di mandata impianto tramite regolazione a punto fisso.

Numero di distinte: 1

Vitocrossal 300 CI3 Vitosol 100/200-FM Vitocal 100-AT PRO Vitocal 100-A PRO MT Vitocal 200-A PRO MT
logo 1 logo 1
IT0002965
IT0002965

GioF

Numero di distinte: 1

Vitocal 100-AT PRO Vitocal 100-A PRO MT Vitocal 200-A PRO MT Vitomodul 200-W B2HA da esterno
logo 2
IT0002966
IT0002966

Hybrid PRO-ES Certificato - Imp. Ibrido Vitocal 100/200-A PRO- Vitocal 100-AT PRO, Vitomodul 200-W da esterno, con singola caldaia >45 kW e Hybridcell MAX da esterno. Controllo temperatura ambienti tramite termoregolazione esterna ambiente /circuiti

Numero di distinte: 1

Vitocal 100-AT PRO Vitocal 100-A PRO MT Vitocal 200-A PRO MT Vitomodul 200-W B2HA da esterno
logo 2
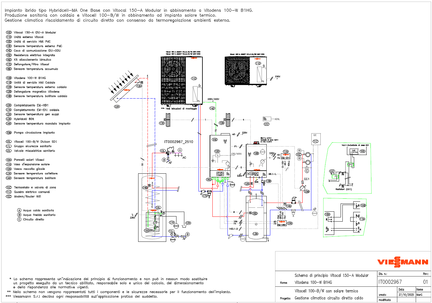
IT0002967
IT0002967

Impianto ibrido tipo Hybridcell-MA One Base con Vitocal 150-A Modular in abbinamento a Vitodens 100-W B1HG. Produzione sanitaria con caldaia e Vitocell 100-B/W in abbinamento ad impianto solare termico. Gestione climatica riscaldamento di circuito diretto con consenso da termoregolazione ambienti esterna.

Numero di distinte: 1

Vitocal 150-A Modular V101 Vitodens 100-W B1HF/B1HG Vitosol 100/200-FM
logo 1
IT0002969
IT0002969

Impianto ibrido tipo Vitocal 250-A Kit Hybrid-EQ con Vitocal 250-A Hybrid in abbinamento a Vitodens 100-W B1HG. Produzione sanitaria con Vitocell 140-E e Vitotrans 353 PZxA in abbinamento a solare termico. Gestione climatica di circuito diretto caldo/freddo ventil e di tre circuiti miscelati caldi per radiante con consensi da termoregolazione ambienti esterna.

Numero di distinte: 1

Vitocal 250-A Hybrid Vitodens 100-W B1HF/B1HG
logo 3 logo 1
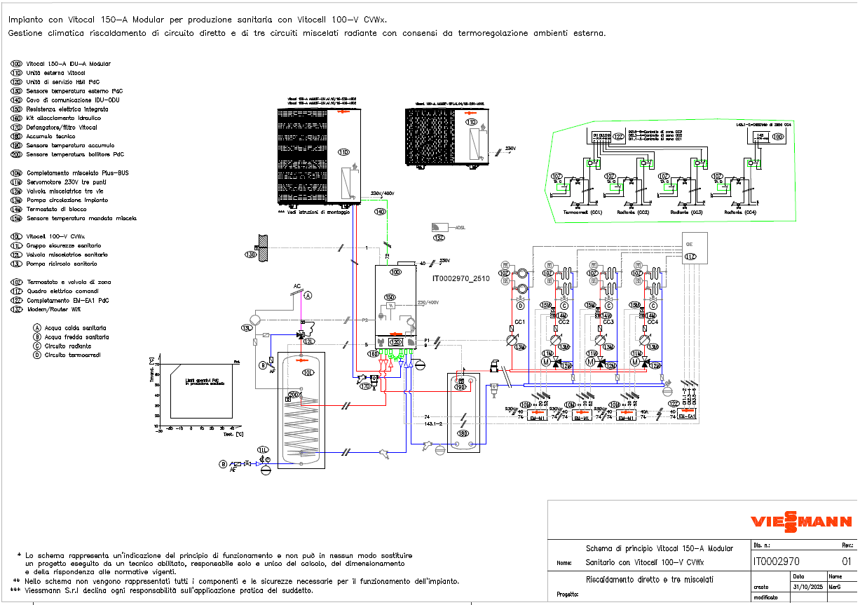
IT0002970
IT0002970

Impianto con Vitocal 150-A Modular per produzione sanitaria con Vitocell 100-V CVWx. Gestione climatica riscaldamento di circuito diretto e di tre circuiti miscelati radiante con consensi da termoregolazione ambienti esterna.

Numero di distinte: 1

Vitocal 150-A Modular V101
logo 1 logo 3
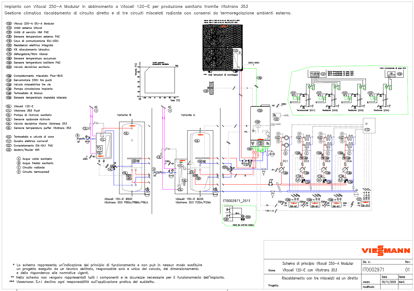
IT0002971
IT0002971

Impianto con Vitocal 250-A Modular in abbinamento a Vitocell 120-E per produzione sanitaria tramite Vitotrans 353. Gestione climatica riscaldamento di circuito diretto e di tre circuiti miscelati radiante con consensi da termoregolazione ambienti esterna.

Numero di distinte: 1

Vitocal 250-A Modular V101
logo 3 logo 1
IT0002974
IT0002974

Impianto ibrido tipo Hybridcell-LA One Base con Vitocal 250-A Modular in abbinamento a Vitodens 200-W B2HH. Produzione sanitaria con caldaia e Vitocell 100-B/W in abbinamento ad impianto solare termico. Gestione climatica di circuito diretto caldo/freddo ventil e di tre circuiti miscelati caldi per radiante con consensi da termoregolazione ambienti esterna.

Numero di distinte: 1

Vitocal 250-A Modular V101 Vitodens 200-W B2HF/B2HH Vitosol 100/200-FM
logo 1 logo 3
IT0002976
IT0002976

Impianto ibrido tipo Hybridcell-MA One Base con Vitocal 250-A Modular in abbinamento a Vitodens 200-W B2HH. Produzione sanitaria con Solarcell MAX HPI. Gestione climatica riscaldamento di circuito diretto e di tre circuiti miscelati radiante con consensi da termoregolazione ambienti esterna.

Numero di distinte: 1

Vitocal 250-A Modular V101 Vitodens 200-W B2HF/B2HH
logo 1 logo 3
IT0002977
IT0002977

Hybrid PRO-BE Certificato - Imp. Ibrido Vitocal 100/200-A PRO- Vitocal 100-AT PRO, Vitocrossal 100CIB da 80 kW fino a 320 kW versione Unit, in Box da esterno e Hybridcell MAX da esterno. Controllo temperatura ambienti tramite termoregolazione esterna ambiente /circuiti

Numero di distinte: 1

Vitocal 100-AT PRO Vitocal 100-A PRO MT Vitocal 200-A PRO MT Vitocrossal 100 CIB da esterno
logo 2
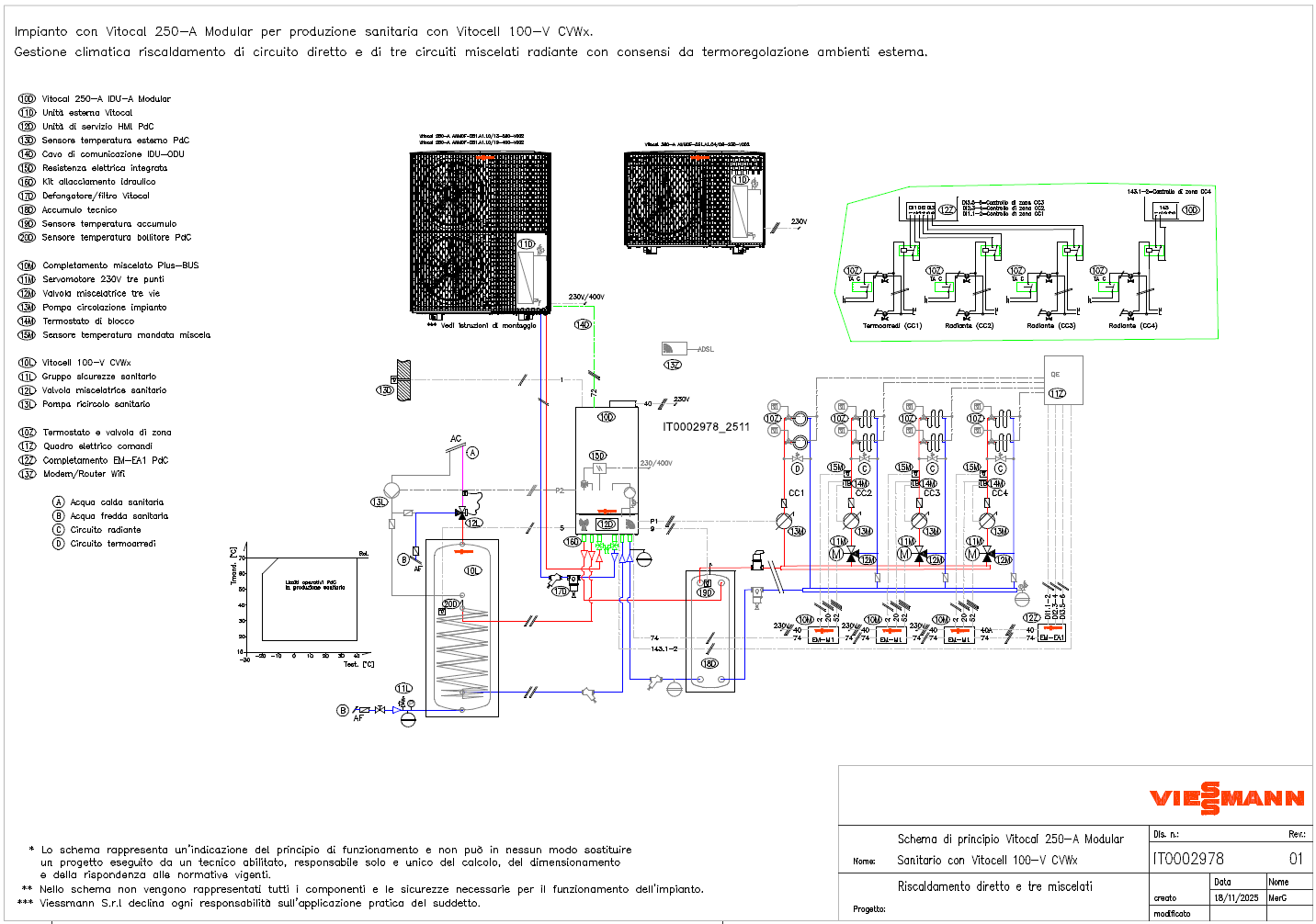
IT0002978
IT0002978

Impianto con Vitocal 250-A Modular per produzione sanitaria con Vitocell 100-V CVWx. Gestione climatica riscaldamento di circuito diretto e di tre circuiti miscelati radiante con consensi da termoregolazione ambienti esterna.

Numero di distinte: 1

Vitocal 250-A Modular V101
logo 3 logo 1
IT0002980
IT0002980

Impianto ibrido per centralizzato tipo Hybridcell-LA One Base con Vitocal 150-A Modular V101/10-16 in abbinamento a Vitodens 200-W B2HA>35 kW. Produzione sanitaria con Solarcell MAX HPI in parallelo idraulico. Gestione climatica riscaldamento di circuito diretto.

Numero di distinte: 1

Vitocal 150-A Modular V101 Vitodens 200-W B2HA 49-60 kW Vitodens 200-W B2HA 80-99 kW Vitodens 200-W B2HA 120-150 kW
logo 1
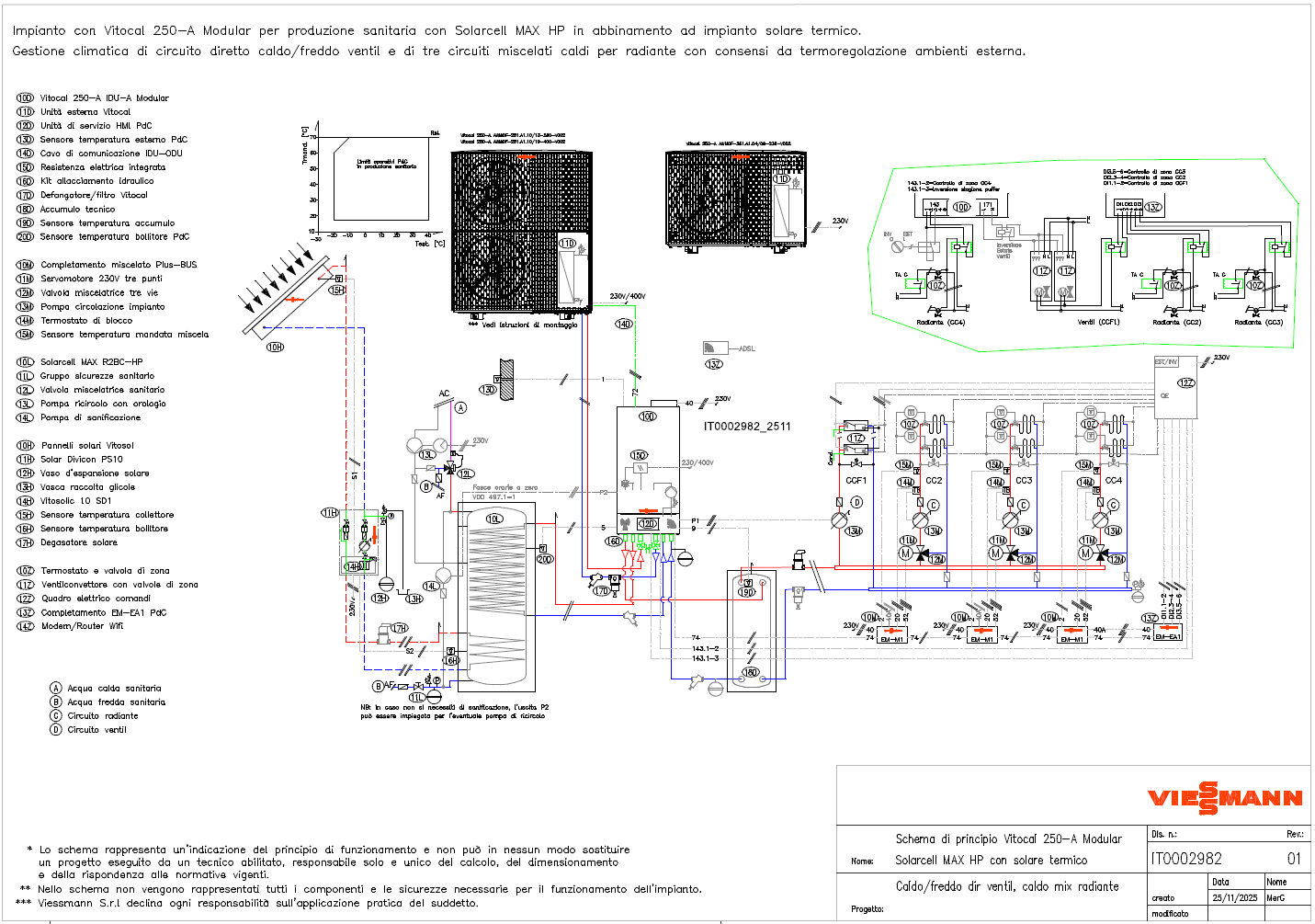
IT0002982
IT0002982

Impianto con Vitocal 250-A Modular per produzione sanitaria con Solarcell MAX HP in abbinamento ad impianto solare termico. Gestione climatica di circuito diretto caldo/freddo ventil e di tre circuiti miscelati caldi per radiante con consensi da termoregolazione ambienti esterna.

Numero di distinte: 1

Vitocal 250-A Modular V101 Vitosol 100/200-FM
logo 1 logo 3
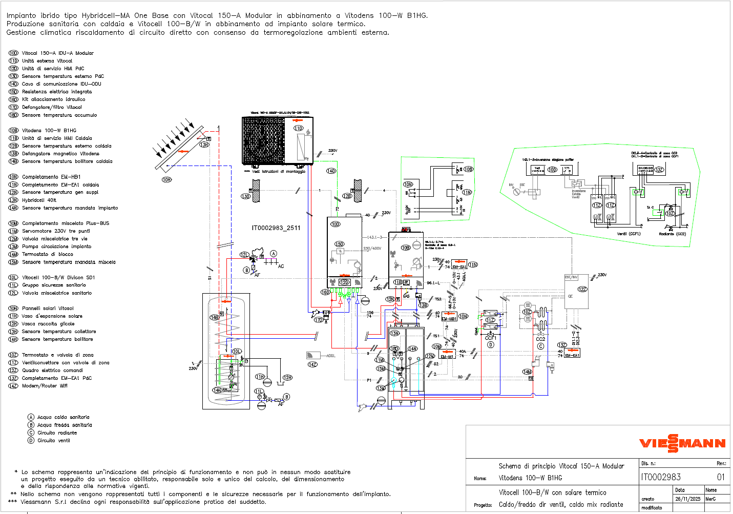
IT0002983
IT0002983

Impianto ibrido tipo Hybridcell-MA One Base con Vitocal 150-A Modular in abbinamento a Vitodens 100-W B1HG. Produzione sanitaria con caldaia e Vitocell 100-B/W in abbinamento ad impianto solare termico. Gestione climatica riscaldamento di circuito diretto con consenso da termoregolazione ambienti esterna.

Numero di distinte: 1

Vitocal 150-A Modular V101 Vitodens 100-W B1HF/B1HG Vitosol 100/200-FM
logo 1 logo 1
IT0002984
IT0002984

Impianto con Vitocal 250-A Modular per produzione sanitaria con Vitocell 100-V CVWB in abbinamento a Vitocal 262-A T2W R290. Gestione climatica di circuito diretto caldo/freddo ventil e di tre circuiti miscelati caldi per radiante con consensi da termoregolazione ambienti esterna.

Numero di distinte: 1

Vitocal 250-A Modular V101 Vitocal 262-A R290
logo 1 logo 3
IT0002988
IT0002988

Impianto ibrido tipo Vitocal 250-A Kit Hybrid-EQ con Vitocal 250-A Hybrid in abbinamento a Vitodens 100-W B1HG. Produzione sanitaria ibrida con bollitore a serpentino maggiorato Vitocell 100-V CVWx. Gestione climatica riscaldamento di circuito diretto e di tre circuiti miscelati con Vitotrol 100-EH.

Numero di distinte: 1

Vitocal 250-A Hybrid Vitodens 100-W B1HF/B1HG
logo 1 logo 3
IT0002990
IT0002990

Impianto con Vitoligno 200-C 20-30 kW per riscaldamento con gestione climatica di due circuiti miscelati. Il generatore di calore riscalda sempre il puffer dal quale l'impianto va a prelevare. Produzione sanitaria con Vitocal 060-A TOS-ze R290 con funzione di trasferimento da puffer biomassa.

Numero di distinte: 3

Vitoligno 200-C 20-30 kW Vitocal 060-A R290
logo 2
IT0002991
IT0002991

Impianto con Vitoligno 200-C 20-30 kW per riscaldamento con gestione climatica di due circuiti miscelati. Il generatore di calore riscalda sempre il puffer dal quale l'impianto va a prelevare.

Numero di distinte: 3

Vitoligno 200-C 20-30 kW
logo 2
IT0002992
IT0002992

Impianto con Vitocal 150-A V101 Modular per solo riscaldamento/raffreddamento. Gestione climatica di riscaldamento/raffreddamento per un circuito diretto ventil e tre circuiti miscelati radiante con consensi da termoregolazione ambienti esterna.

Numero di distinte: 1

Vitocal 150-A Modular V101
logo 1 logo 3
IT0002993
IT0002993

Impianto con Vitocal 250-A Modular V101 per solo riscaldamento/raffreddamento. Gestione climatica di riscaldamento/raffreddamento per un circuito diretto ventil e tre circuiti miscelati radiante con consensi da termoregolazione ambienti esterna.

Numero di distinte: 1

Vitocal 250-A Modular V101
logo 1 logo 3