Guest User
  • Sistemi Hybrid (123)
    • Hybrid PRO certificato (29)
    • Hybrid residenziale certificato (94)

  • Generatori (524)
    • Climatizzatori VRF (4)
    • Generatori Gas-Gasolio (314)
    • Generatori a Biomassa (46)
    • Generatori elettrici (21)
    • Pompe di calore (312)

  • Solare termico (195)
      • Vitosol 100/200-FM (195)

  • Produzione sanitaria (475)
    • Accumulo combinato con produzione istantanea (24)
    • Accumulo tecnico con produttore istantaneo (91)
    • Bollitore bivalente (152)
    • Bollitore monovalente (107)
    • Sistemi con scambiatore esterno per accumuli sanitari (32)
    • Sistemi integrati nel generatore (102)

  • Circuiti (485)
      • Diretto Caldo (216)
      • Diretto Caldo/Freddo (156)
      • Diretto Freddo (26)
      • Miscelato Caldo (254)
      • Miscelato Caldo/Freddo (51)

  • Regolazioni (479)
    • Regolazioni ambienti (289)
    • Regolazioni generatori (402)
    • Regolazioni impianti (272)

  • Ventilazione meccanica controllata (5)
      • Unità  HRI (3)
      • Vitoclima Micro DX (2)

  • Completamenti d'impianto (35)
    • Altri completamenti d'impianto (2)
    • Sistemi stoccaggio pellet (7)
    • Terminali (26)

  • Altro (480)
    • Termoregolazione (480)
      • Vi-Energy Plan (19)

Elenco Schemi

Risultato: 535 schemi
IT0000457
IT0000457

Impianto con Vitocal 300-G 301.C in abbinamento a Vitodens 200-W B2HF/B2HH per produzione sanitaria con Solarcell MAX. Gestione circuiti di riscaldamento per un diretto termoarredi (CR1) e due miscelati radianti (CR2+CR3) con comandi di avvio Smart Home da termoregolazione esterna ambienti.

Numero di distinte: 1

Vitocal 300-G 301.C Vitodens 200-W B2HF/B2HH
logo 1 logo 2
IT0000479
IT0000479

Impianto con Vitocal 300-G 301.C per produzione sanitaria con Solarcell MAX in abbinamento a solare termico. Riscaldamento con gestione climatica di un circuito diretto (CR1) e due circuiti miscelati (CR2+CR3).

Numero di distinte: 2

Vitocal 300-G 301.C Vitosol 100/200-FM
logo 1 logo 2
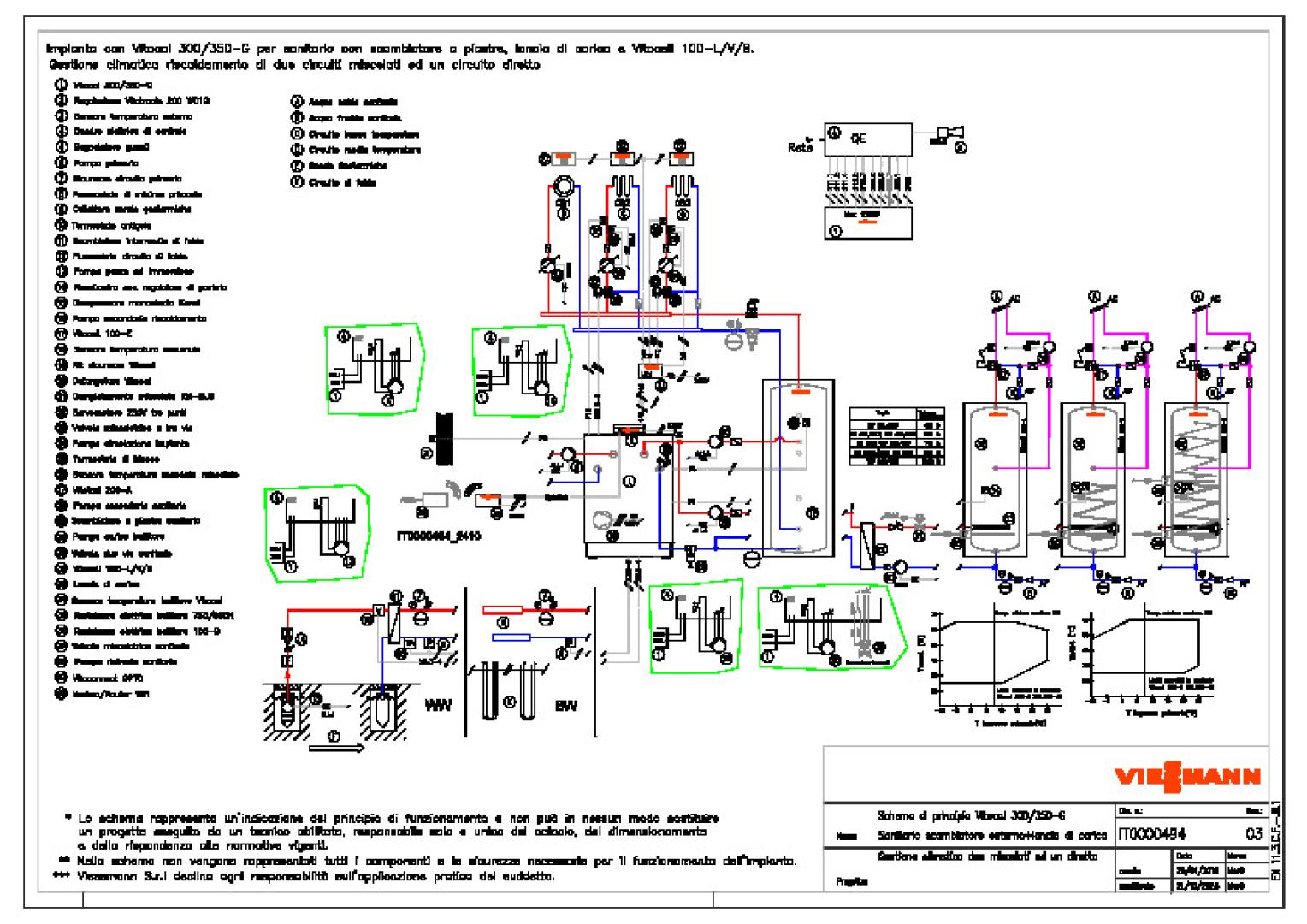
IT0000494
IT0000494

Impianto con Vitocal 300/350-G per sanitario con scambiatore a piastre, lancia di carico e Vitocell 100-L/V/B. Gestione climatica riscaldamento di due circuiti miscelati ed un circuito diretto.

Numero di distinte: 1

Vitocal 300-G 301.A21-45 Vitocal 350-G 351.B
logo 1 logo 2
IT0000497
IT0000497

Impianto centralizzato con Vitocal 300-G 301.A/Vitocal 350-G 351.B per produzione sanitaria con lancia di carico, scambiatore esterno in abbinamento a Vitocell 100-L/V/B. Gestione climatica di un montante miscelato di riscaldamento/raffrescamento con processo di solo Natural Cooling.

Numero di distinte: 3

Vitocal 350-G 351.B Vitocal 300-G 301.A21-45
logo 1
IT0000564
IT0000564

Impianto con Vitocal 300/350-G in versione terra/acqua per produzione sanitaria con Vitocell 100-E e Vitotrans 353 PZxA. Gestione climatica puffer caldo e polivalenza idraulica a recupero totale in active cooling per produzione acqua refrigerata in puffer freddo per impianto centralizzato a 4 tubi.

Numero di distinte: 2

Vitocal 300-G 301.A21-45 Vitocal 350-G 351.B
logo 1 logo 1
IT0000654
IT0000654

Impianto con Vitocal 300/350-G in versione acqua/acqua per produzione sanitaria con scambiatore esterno, lancia di carico e Vitocell 100-L/V/B. Gestione climatica puffer caldo e polivalenza idraulica a recupero totale in active cooling per produzione acqua refrigerata in puffer freddo per impianto centralizzato a 4 tubi.

Numero di distinte: 2

Vitocal 300-G 301.A21-45 Vitocal 350-G 351.B
logo 1 logo 1
IT0000974
IT0000974

Impianto con Vitocal 200-S AWB-E-AC in abbinamento a termoregolazione esterna ambienti/circuiti con comandi Smart Home per avvio inverno ed avvio estate.

Numero di distinte: 6

Vitocal 200-S 201.D
logo 1
IT0000992
IT0000992

Impianto ibrido tipo Hybridcell-LS con Vitocal 200-S 201.D per riscaldamento/raffreddamento in abbinamento a Vitodens 200-W B2HF/B2HH. Produzione sanitaria con caldaia e Vitocell 100-B in abbinamento ad impianto solare termico. Gestione diretto caldo MT/AT (A1 caldaia), due miscelati caldi/freddi per radiante (CRF2/CRF3) con diretto freddo per batterie di deumidificazione (CF1) e comandi di avvio da campo

Numero di distinte: 3

Vitocal 200-S 201.D Vitodens 200-W B2HF/B2HH Vitosol 100/200-FM
logo 1 logo 1 logo 2
IT0001002
IT0001002

Impianto ibrido tipo Hybridcell-LS con Vitocal 200-S 201.D in abbinamento Vitodens 200-W B2HF/B2HH con produzione sanitaria con Vitocell 100-B in abbinamento ad impianto solare termico. Termoregolazione esterna ambienti/circuiti con comandi Smart Home per avvio inverno ed avvio estate.

Numero di distinte: 3

Vitocal 200-S 201.D Vitodens 200-W B2HF/B2HH Vitosol 100/200-FM
logo 1
IT0001014
IT0001014

Impianto ibrido tipo Hybridcell-LS con Vitocal 200-S 201.D in abbinamento a Vitodens 200-W B2HF/B2HH. Termoregolazione esterna ambienti/circuiti con comandi di start inverno e start estate. Produzione sanitaria con caldaia mediante Vitocell 140-E+Vitotrans 353 in abbinamento ad impianto solare termico sanitario/riscaldamento

Numero di distinte: 1

Vitocal 200-S 201.D Vitodens 200-W B2HF/B2HH Vitosol 100/200-FM
logo 1
IT0001024
IT0001024

Impianto ibrido tipo Hybridcell-LS con Vitocal 200-S 201.D in abbinamento a Vitodens 200-W B2HF/B2HH. Termoregolazione esterna ambienti/circuiti con comandi di start inverno e start estate. Produzione sanitaria con caldaia mediante Solarcell Total HSK in abbinamento ad impianto solare termico sanitario/riscaldamento.

Numero di distinte: 1

Vitocal 200-S 201.D Vitodens 200-W B2HF/B2HH Vitosol 100/200-FM
logo 1
IT0001028
IT0001028

Impianto con Vitocal 200-S 201.D per produzione sanitaria con Solarcell WPU. Gestione climatica circuito in diretta di riscaldamento/raffrescamento con deumidificatore ad espansione diretta.

Numero di distinte: 6

Vitocal 200-S 201.D
logo 1
IT0001029
IT0001029

Impianto con Vitocal 200-S AWB-E-AC per sanitario con Solarcell WPU. Termoregolazione esterna ambienti/circuiti con comandi Smart Home per avvio inverno ed avvio estate.

Numero di distinte: 6

Vitocal 200-S 201.D
logo 1
IT0001030
IT0001030

Impianto con Vitocal 200-S 201.D per produzione sanitaria con solarcell WPU. Gestione climatica di circuito in diretta di riscaldamento.

Numero di distinte: 1

Vitocal 200-S 201.D
logo 1
IT0001045
IT0001045

Impianto ibrido tipo Hybridcell-LS con Vitocal 200-S 201.D in abbinamento a Vitodens 200-W B2HF/B2HH con produzione sanitaria mediante Solarcell MAX. Gestione diretto caldo MT/AT (A1 caldaia), due miscelati caldi/freddi per radiante (CRF2/CRF3) con diretto freddo per batterie di deumidificazione (CF1) e comandi di avvio da campo.

Numero di distinte: 3

Vitocal 200-S 201.D Vitodens 200-W B2HF/B2HH
logo 1 logo 1 logo 2
IT0001064
IT0001064

Impianto ibrido tipo Hybridcell-LS con Vitocal 200-S 201.D in abbinamento a Vitodens 200-W B2HF/B2HH per produzione sanitaria con Solarcell MAX. Gestione riscaldamento di un diretto (caldaia), di due miscelati radianti e di diretto caldo/freddo ventilconvettori (PdC) con comandi di avvio da termoregolazione esterna ambienti.

Numero di distinte: 3

Vitocal 200-S 201.D Vitodens 200-W B2HF/B2HH
logo 1 logo 1 logo 2
IT0001075
IT0001075

Impianto ibrido tipo Hybridcell-LS con Vitocal 200-S 201.D in abbinamento a Vitodens 200-W B2HF/B2HH per produzione sanitaria mediante Solarcell MAX. Termoregolazione esterna ambienti/circuiti con comandi Smart Home per avvio inverno ed avvio estate.

Numero di distinte: 3

Vitocal 200-S 201.D Vitodens 200-W B2HF/B2HH
logo 1
IT0001078
IT0001078

Impianto con Vitocal 200-S 201.D con gestione climatica di un circuito in diretta di riscaldamento/raffrescamento con deumidificatori ad espansione diretta. Produzione sanitaria con Solarcell MAX R2BC-HP in abbinamento a solare termico.

Numero di distinte: 1

Vitocal 200-S 201.D Vitosol 100/200-FM
logo 1
IT0001079
IT0001079

Impianto con Vitocal 200-S 201.D per produzione sanitaria con Solarcell MAX in abbinamento ad impianto solare termico. Gestione climatica riscaldamento/raffrescamento di un circuito diretto e di due circuiti miscelati.

Numero di distinte: 1

Vitocal 200-S 201.D Vitosol 100/200-FM
logo 1 logo 2
IT0001089
IT0001089

Impianto con Vitocal 200-S 201.D per produzione sanitaria con Solarcell MAX in abbinamento ad impianto solare termico. Gestione climatica caldo/freddo di due miscelati radianti (CRF2 e CRF3). Gestione di un diretto caldo termoarredi/freddo deumidificatore (CRF1) con comandi Smart Home

Numero di distinte: 1

Vitocal 200-S 201.D Vitosol 100/200-FM
logo 1 logo 2
IT0001097
IT0001097

Impianto con Vitocal 200-S 201.D per produzione sanitaria con Solarcell MAX in abbinamento ad impianto solare termico. Termoregolazione esterna ambienti con comandi Smart Home per avvio inverno ed avvio estate con inerziale sul ritorno.

Numero di distinte: 1

Vitocal 200-S 201.D Vitosol 100/200-FM
logo 1
IT0001098
IT0001098

Impianto con Vitocal 200-S 201.D per sanitario con Solarcell MAX in abbinamento ad impianto solare termico. Termoregolazione esterna ambienti/circuiti con comando di avvio inverno e avvio estate con puffer come disgiuntore.

Numero di distinte: 1

Vitocal 200-S 201.D Vitosol 100/200-FM
logo 1
IT0001111
IT0001111

Impianto ibrido tipo Hybridcell-LS con Vitocal 200-S 201.D in abbinamento a Vitodens 200-W B2HF/B2HH per produzione sanitaria con Solarcell MAX. Gestione climatica riscaldamento di un circuito diretto e due circuiti miscelati.

Numero di distinte: 1

Vitocal 200-S 201.D Vitodens 200-W B2HF/B2HH
logo 1 logo 2
IT0001112
IT0001112

Impianto ibrido tipo Hybridcell-LS con Vitocal 200-S 201.D in abbinamento a Vitodens 200-W B2HF/B2HH con produzione sanitario mediante Solarcell MAX. Termoregolazione esterna ambienti con comando di avvio circuito bassa temperatura (CR1 PdC) e circuito di media/alta temperatura (A1 caldaia)

Numero di distinte: 3

Vitocal 200-S 201.D Vitodens 200-W B2HF/B2HH
logo 2