Guest User
  • Sistemi Hybrid (119)
    • Hybrid PRO certificato (29)
    • Hybrid residenziale certificato (90)

  • Generatori (518)
    • Climatizzatori VRF (4)
    • Generatori Gas-Gasolio (320)
    • Generatori a Biomassa (43)
    • Generatori elettrici (21)
    • Pompe di calore (300)

  • Solare termico (196)
      • Vitosol 100/200-FM (197)

  • Produzione sanitaria (469)
    • Accumulo combinato con produzione istantanea (23)
    • Accumulo tecnico con produttore istantaneo (84)
    • Bollitore bivalente (157)
    • Bollitore monovalente (100)
    • Sistemi con scambiatore esterno per accumuli sanitari (33)
    • Sistemi integrati nel generatore (105)

  • Circuiti (479)
      • Diretto Caldo (223)
      • Diretto Caldo/Freddo (155)
      • Diretto Freddo (24)
      • Miscelato Caldo (246)
      • Miscelato Caldo/Freddo (50)

  • Regolazioni (474)
    • Regolazioni ambienti (281)
    • Regolazioni generatori (390)
    • Regolazioni impianti (281)

  • Ventilazione meccanica controllata (5)
      • Unità  HRI (3)
      • Vitoclima Micro DX (2)

  • Completamenti d'impianto (36)
    • Altri completamenti d'impianto (2)
    • Sistemi stoccaggio pellet (7)
    • Terminali (27)

  • Altro (473)
    • Termoregolazione (473)
      • Vi-Energy Plan (21)

Elenco Schemi

Risultato: 535 schemi
IT0002744
IT0002744

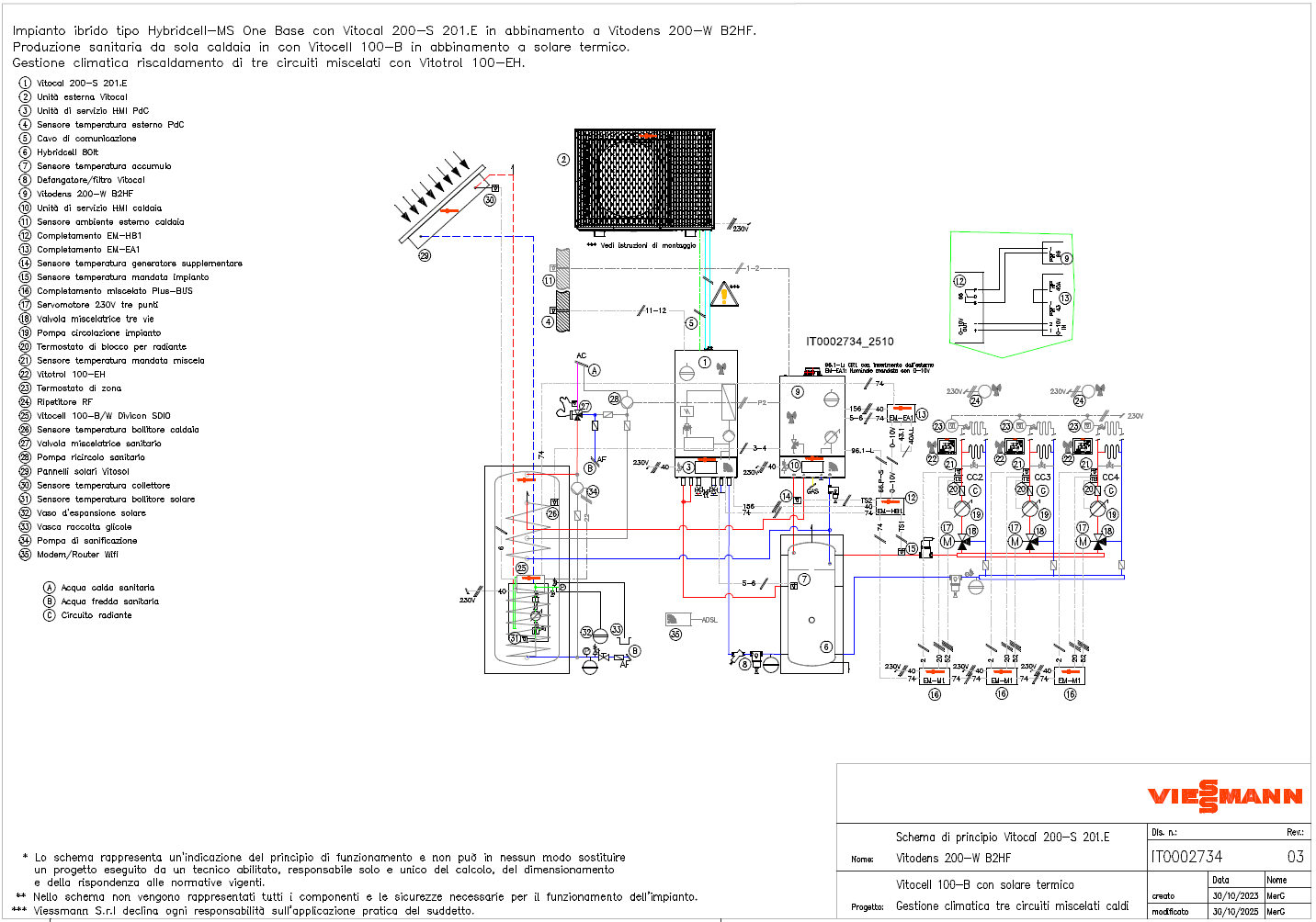
Impianto ibrido tipo Hybridcell-MS One Base con Vitocal 200-S 201.E in abbinamento a Vitodens 200-W B2HF/B2HH. Produzione sanitaria con Solarcell MAX. Gestione climatica riscaldamento di tre circuiti miscelati.

Numero di distinte: 1

Vitocal 200-S 201.E Vitodens 200-W B2HF/B2HH
logo 3
IT0002745
IT0002745

Impianto ibrido con Vitocal 300/350-G in abbinamento a Vitodens 200-W B2HA 49-60 kW con produzione sanitaria mediante Vitotrans 353. Riscaldamento con un circuito diretto e due miscelati con comandi di avvio Smart Home da termoregolazione esterna ambienti.

Numero di distinte: 1

Vitocal 300-G 301.A21-45 Vitocal 350-G 351.B Vitodens 200-W B2HA 49-60 kW
logo 1 logo 2
IT0002752
IT0002752

Impianto con Vitoligno 200-S VL2B <35kW con dispositivo di aumento temperatura termostatico, n.2 circuiti miscelati e produzione ACS con bollitore monovalente

Numero di distinte: 1

Vitoligno 200-S
logo 2
IT0002758
IT0002758

Impianto con Vitocal 100-A 101.A/B riscaldamento/raffreddamento e per sanitario con Solarcell HPI. Termoregolazione esterna ambienti/circuiti con comando estate/inverno e start/stop a pdc.

Numero di distinte: 9

Vitocal 100-A 101.A/B
logo 1
IT0002759
IT0002759

Impianto con Vitoligno 200-S VL2B <35 kW con gestione climatica di due circuiti miscelati. Produzione sanitaria con Solarcell Total HSK in abbinamento ad impianto solare termico per integrazione sanitaria in fase estiva.

Numero di distinte: 1

Vitoligno 200-S Vitosol 100/200-FM
logo 2
IT0002760
IT0002760

Impianto con Vitocal 100-A 101.A/B riscaldamento/raffreddamento, termoregolazione esterna ambiente/circuiti con comandi EST/INV e START/STOP a pdc.

Numero di distinte: 9

Vitocal 100-A 101.A/B
logo 1
IT0002761
IT0002761

Impianto con Vitocal 111-S 111.A/B per produzione sanitaria con bollitore integrato. Termoregolazione esterna ambienti/circuiti con comandi di avvio inverno ed avvio estate.

Numero di distinte: 3

Vitocal 111-S 111.A/B
logo 1
IT0002764
IT0002764

Impianto con Vitocal 100-S 101.A/B. Termoregolazione esterna circuiti/ambienti con comando avvio inverno e comando avvio estate con puffer come disgiuntore.

Numero di distinte: 3

Vitocal 100-S 101.A/B
logo 1
IT0002765
IT0002765

Impianto con Vitoligno 200-S VL2B <35kW con dispositivo di aumento temperatura termostatico, n.2 circuiti miscelati.Produzione sanitaria mediante Vitotrans 353 PBxA ed impianto solare termico ad integrazione.

Numero di distinte: 1

Vitoligno 200-S Vitosol 100/200-FM
logo 2
IT0002766
IT0002766

Impianto con Vitodens 200-W B2HF/B2HH climatica, produzione acs con Vitotrans 353 PBxA e impianto solare per integrazione acs e riscaldamento. Regolazione di un circuito miscelato con comando da campo. Caldaia a biomassa Vitoligno 200-S <35 kW per integrazione acs e riscaldamento . Vitodens 200 che lavora su scambiatore per separazione idraulica, per evitare somma termica e pratica INAIL.

Numero di distinte: 1

Vitodens 200-W B2HF/B2HH Vitoligno 200-S Vitosol 100/200-FM
logo 1
IT0002768
IT0002768

Schema di principio impianto fotovoltaico trifase da 12,0 - 15,0 kW senza accumulo, multi stringa.

Numero di distinte: 0

Pacchetto trifase con accumulo
IT0002769
IT0002769

Schema di principio impianto fotovoltaico trifase da 12,0 - 15,0 kW con accumulo, multistringa

Numero di distinte: 0

Pacchetto trifase con accumulo
IT0002772
IT0002772

Imp. Ibrido Vitocal 100-AT PRO, Vitocrossal 300 CI3 e Hybridcell MAX. Produzione sanitaria con Solarcell SPUW e Vitotrans 353. Circuiti di riscaldamento / condizionamento gestiti da regolazione esterna.

Numero di distinte: 1

Vitocal 100-AT PRO Vitocal 100-A PRO MT Vitocal 200-A PRO MT Vitocrossal 300 CI3
logo 2
IT0002773
IT0002773

Impianto ibrido tipo Hybridcell-MS One Base con Vitocal 200-S 201.E in abbinamento a Vitodens 100-W B1HF/B1HG. Produzione sanitaria con Solarcell MAX HPI. Gestione climatica riscaldamento di un circuito diretto e di un circuito miscelato.

Numero di distinte: 1

Vitocal 200-S 201.E Vitodens 100-W B1HF/B1HG
logo 1 logo 1
IT0002776
IT0002776

Impianto ibrido con Vitocal 300/350-G in abbinamento a Vitodens 200-W B2HF/B2HH con produzione sanitaria mediante Vitotrans 353 PBxA. Riscaldamento circuito diretto AT (A1) tramite caldaia e di circuito diretto MT (CR1) e circuito miscelati (CR3) tramite PdC. Riscaldamento/raffreddamento circuito miscelato (CRF2) tramite PdC con processo di natural cooling. Termoregolazione esterna ambienti con consenso di comando avvio circuiti.

Numero di distinte: 1

Vitocal 300-G 301.A21-45 Vitocal 350-G 351.B Vitodens 200-W B2HF/B2HH
logo 2 logo 1 logo 1
IT0002779
IT0002779

Impianto ibrido tipo Hybridcell-MA One Base con Vitocal 150-A 151.A in abbinamento a Vitodens 100-W B1HF/B1HG. Produzione sanitaria con Solarcell MAX HPI. Gestione climatica circuito diretto a radiatori.

Numero di distinte: 1

Vitocal 150-A 151.A Vitodens 100-W B1HF/B1HG
logo 1
IT0002780
IT0002780

Es. Imp. con n.2 Vitocrossal 300 CI3 in cascata. Gestione climatica di n.3 circuiti miscelati e di n.1 circuito diretto e della produzione ACS.Produzione sanitaria con n.2 Vitocell 100-V in parallelo idraulico.

Numero di distinte: 8

Vitocrossal 300 CI3
logo 1 logo 3
IT0002781
IT0002781

Es. Imp. con Vitocrossal 300 CI3. Gestione climatica di n.3 circuiti miscelati e di n.1 circuito diretto e della produzione ACS. Produzione sanitaria con n.2 Vitocell 100-V in parallelo idraulico.

Numero di distinte: 8

Vitocrossal 300 CI3
logo 1 logo 3
IT0002782
IT0002782

Es. Imp. con n.2 Vitocrossal 300 CI3 in cascata. Gestione climatica di n.3 circuiti miscelati e di n.1 circuito diretto e della produzione ACS. I circuiti a bassa temperatura utilizzano il ritorno "G" delle caldaie per ottimizzare il rendimento, mentre i circuiti ad alta temperatura utilizzano il ritorno "K" delle caldaie . (vedi nota ***) Produzione sanitaria con n.2 Vitocell 100-V in parallelo idraulico.

Numero di distinte: 2

Vitocrossal 300 CI3
logo 1 logo 3
IT0002783
IT0002783

Es. Imp. con Vitocrossal 300 CI3. Gestione climatica di n.3 circuiti miscelati e di n.1 circuito diretto e della produzione ACS. I circuiti a bassa temperatura utilizzano il ritorno "G"del generatore per ottimizzare il rendimento, mentre i circuiti ad alta temperatura utilizzano il ritorno "K" del generatore . Produzione sanitaria con n.2 Vitocell 100-V in parallelo idraulico.

Numero di distinte: 2

Vitocrossal 300 CI3
logo 1 logo 3
IT0002784
IT0002784

Es. Imp. con n.2 Vitocrossal 300 CI3 in cascata con separazione idraulica impianto. Gestione climatica di n.3 circuiti miscelati e di n.1 circuito diretto e della produzione ACS.Produzione sanitaria con n.2 Vitocell 100-V in parallelo idraulico.

Numero di distinte: 2

Vitocrossal 300 CI3
logo 1 logo 3
IT0002785
IT0002785

Es. Imp. con Vitocrossal 300 CI3 con separazione idraulica impianto . Gestione climatica di n.3 circuiti miscelati e di n.1 circuito diretto e della produzione ACS. Produzione sanitaria con n.2 Vitocell 100-V in parallelo idraulico

Numero di distinte: 8

Vitocrossal 300 CI3
logo 1 logo 3
IT0002786
IT0002786

Impianto con Vitocal 250-A 251.A in cascata per riscaldamento con produzione sanitaria con solo PdC Master in abbinamento a Vitocell 100-E con Vitotrans 353 PZxA. Gestione climatica riscaldamento di circuito diretto e di tre circuiti miscelati radiante con Vitotrol 100-EH.

Numero di distinte: 1

Vitocal 250-A 251.A Vitocal 250-A 251.A
logo 1 logo 3
IT0002791
IT0002791

Impianto ibrido tipo Hybridcell-MS One Base con Vitocal 200-S 201.E in abbinamento a Vitodens 100-W B1HF/B1HG. Produzione sanitaria mediante Vitocell 100-B/W con caldaia e solare termico. Gestione climatica riscaldamento di un circuito diretto e di un circuito miscelato.

Numero di distinte: 1

Vitocal 200-S 201.E Vitodens 100-W B1HF/B1HG Vitosol 100/200-FM
logo 1 logo 1