Guest User
  • Sistemi Hybrid (119)
    • Hybrid PRO certificato (29)
    • Hybrid residenziale certificato (90)

  • Generatori (518)
    • Climatizzatori VRF (4)
    • Generatori Gas-Gasolio (320)
    • Generatori a Biomassa (43)
    • Generatori elettrici (21)
    • Pompe di calore (300)

  • Solare termico (196)
      • Vitosol 100/200-FM (197)

  • Produzione sanitaria (469)
    • Accumulo combinato con produzione istantanea (23)
    • Accumulo tecnico con produttore istantaneo (84)
    • Bollitore bivalente (157)
    • Bollitore monovalente (100)
    • Sistemi con scambiatore esterno per accumuli sanitari (33)
    • Sistemi integrati nel generatore (105)

  • Circuiti (479)
      • Diretto Caldo (223)
      • Diretto Caldo/Freddo (155)
      • Diretto Freddo (24)
      • Miscelato Caldo (246)
      • Miscelato Caldo/Freddo (50)

  • Regolazioni (474)
    • Regolazioni ambienti (281)
    • Regolazioni generatori (390)
    • Regolazioni impianti (281)

  • Ventilazione meccanica controllata (5)
      • Unità  HRI (3)
      • Vitoclima Micro DX (2)

  • Completamenti d'impianto (36)
    • Altri completamenti d'impianto (2)
    • Sistemi stoccaggio pellet (7)
    • Terminali (27)

  • Altro (473)
    • Termoregolazione (473)
      • Vi-Energy Plan (21)

Elenco Schemi

Risultato: 535 schemi
IT0002654
IT0002654

Impianto con Vitocal 150-A 151.A per produzione sanitaria con Vitocell 100-V CVWx. Gestione climatica riscaldamento/raffreddamento di un circuito diretto e di tre circuiti miscelati.

Numero di distinte: 1

Vitocal 150-A 151.A
logo 1 logo 3
IT0002655
IT0002655

Impianto con Vitocal 151-A 151.A per produzione sanitaria con bollitore sanitario integrato. Gestione climatica riscaldamento di circuito diretto e di tre circuiti miscelati.

Numero di distinte: 1

Vitocal 151-A
logo 1 logo 3
IT0002656
IT0002656

Impianto con Vitocal 252-A 251.A per produzione sanitaria con bollitore sanitario integrato. Gestione climatica riscaldamento/raffreddamento di un circuito diretto e di tre circuiti miscelati.

Numero di distinte: 1

Vitocal 252-A
logo 1 logo 3
IT0002657
IT0002657

Impianto con Vitocal 151-A 151.A per produzione sanitaria con bollitore sanitario integrato. Gestione climatica riscaldamento/raffreddamento di un circuito diretto e di tre circuiti miscelati.

Numero di distinte: 1

Vitocal 151-A
logo 1 logo 3
IT0002661
IT0002661

Impianto ibrido tipo Hybridcell PRO-MS con Vitocal 100-Ax/200-A PRO (solo con regolazione Eliwell) in abbinamento a Vitodens 200-W B2HA > 45 kW. Integrazione idraulica con Hybridcell MAX, Termoregolazione esterna circuiti ed ambienti. Produzione sanitaria tramite Vitocell 100-B con scambiatore esterno e lancia di carico per PdC e serpentino immerso per caldaia.

Numero di distinte: 3

Vitocal 100-AT PRO Vitocal 200-A PRO MT Vitocal 100-A PRO MT Vitodens 200-W B2HA 49-60 kW Vitodens 200-W B2HA 80-99 kW Vitodens 200-W B2HA 120-150 kW
logo 2
IT0002662
IT0002662

Esempio d'impianto con Regolazione HEMS Basic per l'ottimizzazione dell'autoconsumo elettrico in riscaldamento o raffrescamento tramite sistema Vitoclima 232-S o Vitoclima 300-S, in abbinamento ad un impianto fotovoltaico con inverter Viessmann ibrido.

Numero di distinte: 2

Pacchetto monofase con accumulo Regolazione HEMS Basic Vitoclima 232-S Vitoclima 300-S
IT0002663
IT0002663

Esempio d'impianto con Regolazione HEMS Basic per l'ottimizzazione dell'autoconsumo elettrico in riscaldamento o raffrescamento tramite sistema Vitoclima 232-S o Vitoclima 300-S, in abbinamento ad un impianto fotovoltaico con inverter Viessmann di stringa.

Numero di distinte: 1

Pacchetto monofase tradizionale Regolazione HEMS Basic Vitoclima 232-S Vitoclima 300-S
IT0002668
IT0002668

Impianto con Vitocal 151-A 151.A per produzione sanitaria con bollitore sanitario integrato. Gestione climatica riscaldamento di circuito diretto.

Numero di distinte: 1

Vitocal 151-A
logo 1
IT0002676
IT0002676

Imp. Ibrido Vitocal 100-AT PRO, Vitomodul 200-W B2HA e Hybridcell MAX. Produzione sanitaria con Vitocell 100-B e impianto solare con Vitosol 100/200. Controllo temperatura di mandata impianto tramite regolazione a punto fisso caldo/freddo.

Numero di distinte: 2

Vitomodul 200-W B2HA Vitosol 100/200-FM Vitocal 100-AT PRO
logo 1 logo 1
IT0002677
IT0002677

Impianto con Vitocal 150-A 151.A per produzione sanitaria con Solarcell WPU. Gestione climatica riscaldamento di circuito diretto e di tre circuiti miscelati.

Numero di distinte: 1

Vitocal 150-A 151.A
logo 1 logo 3
IT0002682
IT0002682

Impianto ibrido tipo Hybridcell-LS con Vitocal 200-S 201.D16 in abbinamento a Vitorondens 200-T BR2A <35 kW per produzione sanitaria con Solarcell MAX. Termoregolazione esterna ambienti/circuiti con comando di avvio Smart Home richiesta calda (216.1) e richiesta fredda (216.2).

Numero di distinte: 1

Vitocal 200-S 201.D Vitorondens 200-T BR2A
logo 1
IT0002689
IT0002689

Impianto ibrido tipo Vitodens 100-E Hybrid Plus con Vitocal 100-A 101.B in abbinamento a Vitodens 100-E B1BA ad incasso con produzione sanitaria istantanea integrata. Termoregolazione esterna ambienti/circuiti con comandi di ON/OFF ed EST/INV.

Numero di distinte: 1

Vitocal 100-A 101.A/B Vitodens 100-E Compact B1BA
logo 2
IT0002694
IT0002694

Impianto ibrido tipo Vitocal 250-SH Hybrid-EQ con Vitocal 250-SH 252.B in abbinamento a Vitodens 200-W B2HF/B2HH. Produzione sanitaria da sola caldaia con Vitocell 100-B in abbinamento a solare termico. Gestione climatica di circuito diretto caldo/freddo a ventilconvettori automatici. Gestione climatica di tre circuiti miscelati caldi radiante con Vitotrol 100-EH.

Numero di distinte: 1

Vitocal 250-SH Vitodens 200-W B2HF/B2HH Vitosol 100/200-FM
logo 1 logo 3
IT0002702
IT0002702

Impianto ibrido tipo Vitocal 250-AH Hybrid-EQ con Vitocal 250-AH 252.A in abbinamento a Vitodens 200-W B2HF/B2HH. Produzione sanitaria da sola caldaia con Vitocell 100-B in abbinamento a solare termico. Gestione climatica di circuito diretto caldo/freddo a ventilconvettori automatici. Gestione climatica di tre circuiti miscelati caldi radiante con Vitotrol 100-EH.

Numero di distinte: 1

Vitocal 250-AH Vitodens 200-W B2HF/B2HH Vitosol 100/200-FM
logo 1 logo 3
IT0002704
IT0002704

Vitocal 100-A Kit Compact Hybrid: Sistema ibrido ad incasso con Vitocal 100-A 101.A/B in abbinamento a Vitodens 100-W B1HF/B1HG. Produzione sanitaria con scambiatore istantaneo ed accumulo tecnico. Modulo circuito miscelato a punto fisso per radiante caldo con comando di avvio da termoregolazione esterna ambienti.

Numero di distinte: 1

Vitocal 100-A 101.A/B Vitodens 100-W B1HF/B1HG
logo 1
IT0002705
IT0002705

Impianto con Vitocal 250-A 251.A in cascata per solo riscaldamento. Gestione climatica riscaldamento di circuito diretto e di tre circuiti miscelati.

Numero di distinte: 1

Vitocal 250-A 251.A
logo 1 logo 3
IT0002710
IT0002710

Impianto ibrido tipo Hybridcell-LS con Vitocal 200-S 201.D in abbinamento a Vitodens 200-W B2HF/B2HH con produzione sanitaria mediante Solarcell MAX. Gestione di due miscelati caldi/freddi per radiante (CRF2/CRF3) con diretto freddo per batterie di deumidificazione (CF1) e comandi di avvio da termoregolazione esterna ambiente.

Numero di distinte: 1

Vitocal 200-S 201.D Vitodens 200-W B2HF/B2HH
logo 1 logo 2
IT0002712
IT0002712

Impianto con Vitocal 150-A 151.A per produzione sanitaria con Vitocell 100-V CVWx.

Numero di distinte: 1

Vitocal 150-A 151.A
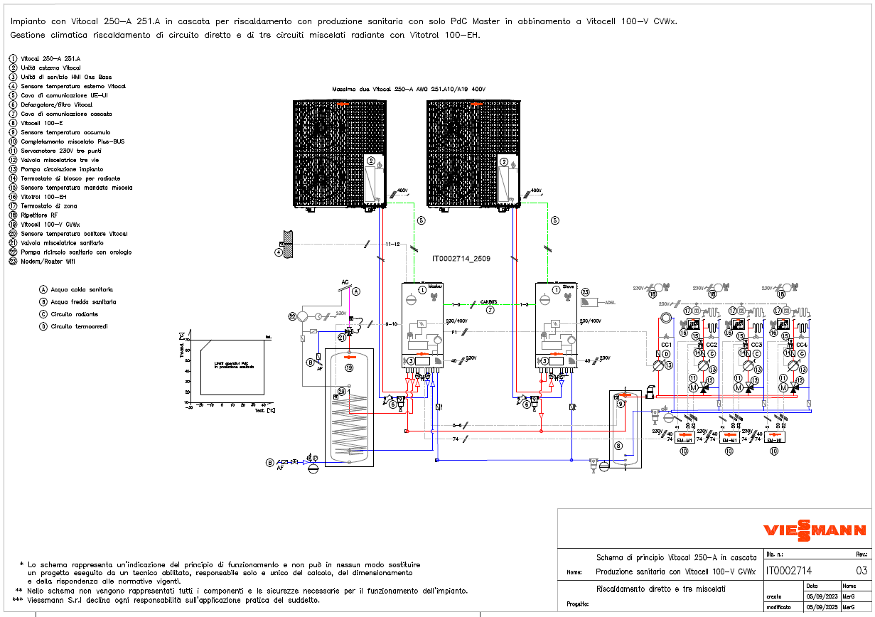
IT0002714
IT0002714

Impianto con Vitocal 250-A 251.A in cascata per riscaldamento con produzione sanitaria con solo PdC Master in abbinamento a Vitocell 100-V CVWx. Gestione climatica riscaldamento di circuito diretto e di tre circuiti miscelati.

Numero di distinte: 1

Vitocal 250-A 251.A Vitocal 250-A 251.A
logo 1 logo 3
IT0002719
IT0002719

Impianto ibrido tipo Hybridcell-LS con Vitocal 200-S 201.D16 in abbinamento a Vitorondens 200-T BR2A>35 kW. Produzione sanitaria con Vitocell 100-B, scambiatore a piastre esterno, lancia di carico e solare termico. Gestione riscaldamento con un circuito diretto e due miscelati con comandi da termoregolazione esterna ambienti.

Numero di distinte: 1

Vitocal 200-S 201.D Vitorondens 200-T BR2A Vitosol 100/200-FM
logo 1 logo 2
IT0002721
IT0002721

Impianto con Energycal Inverter/AW PRO AT in cascata per riscaldamento/raffreddamento e sanitario con due Solarcell MAX R2BC-HPI in parallelo.

Numero di distinte: 1

Energycal Inverter Energycal AW PRO AT 7.1-41.1
logo 1
IT0002724
IT0002724

Impianto ibrido tipo Hybridcell-MA One Base con Vitocal 150-A AWO in abbinamento a Vitodens 100-W B1KF/B1KG con produzione sanitaria istantanea integrata. Gestione climatica circuito diretto a radiatori.

Numero di distinte: 1

Vitocal 150-A 151.A Vitodens 100-W B1KF//B1KG
logo 1
IT0002728
IT0002728

Impianto ibrido tipo Hybridcell-LS One Base con Vitocal 200-S 201.E in abbinamento a Vitodens 200-W B2HF/B2HH. Produzione sanitaria con Solarcell MAX. Gestione climatica riscaldamento di circuito diretto e di tre circuiti miscelati.

Numero di distinte: 1

Vitocal 200-S 201.E Vitodens 200-W B2HF/B2HH
logo 1 logo 3
IT0002734
IT0002734

Impianto ibrido tipo Hybridcell MS One Base con Vitocal 200-S 201.E in abbinamento a Vitodens 200-W B2HF/B2HH. Produzione sanitaria da sola caldaia con Vitocell 100-B in abbinamento a solare termico. Gestione climatica riscaldamento di tre circuiti miscelati.

Numero di distinte: 1

Vitocal 200-S 201.E Vitodens 200-W B2HF/B2HH Vitosol 100/200-FM
logo 3