Guest User
  • Sistemi Hybrid (123)
    • Hybrid PRO certificato (29)
    • Hybrid residenziale certificato (94)

  • Generatori (524)
    • Climatizzatori VRF (4)
    • Generatori Gas-Gasolio (314)
    • Generatori a Biomassa (46)
    • Generatori elettrici (21)
    • Pompe di calore (312)

  • Solare termico (195)
      • Vitosol 100/200-FM (195)

  • Produzione sanitaria (475)
    • Accumulo combinato con produzione istantanea (24)
    • Accumulo tecnico con produttore istantaneo (91)
    • Bollitore bivalente (152)
    • Bollitore monovalente (107)
    • Sistemi con scambiatore esterno per accumuli sanitari (32)
    • Sistemi integrati nel generatore (102)

  • Circuiti (485)
      • Diretto Caldo (216)
      • Diretto Caldo/Freddo (156)
      • Diretto Freddo (26)
      • Miscelato Caldo (254)
      • Miscelato Caldo/Freddo (51)

  • Regolazioni (479)
    • Regolazioni ambienti (289)
    • Regolazioni generatori (402)
    • Regolazioni impianti (272)

  • Ventilazione meccanica controllata (5)
      • Unità  HRI (3)
      • Vitoclima Micro DX (2)

  • Completamenti d'impianto (35)
    • Altri completamenti d'impianto (2)
    • Sistemi stoccaggio pellet (7)
    • Terminali (26)

  • Altro (480)
    • Termoregolazione (480)
      • Vi-Energy Plan (19)

Elenco Schemi

Risultato: 535 schemi
IT0002599
IT0002599

Vitocal 100-A Kit Compact Hybrid: Sistema ibrido ad incasso con Vitocal 100-A 101.A in abbinamento a Vitodens 100-W B1HF/B1HG. Produzione sanitaria con scambiatore istantaneo ed accumulo tecnico in abbinamento ad impianto solare termico. Modulo idraulico circuito diretto caldo e modulo idraulico circuito diretto freddo con comandi di avvio da termoregolazione esterna ambienti.

Numero di distinte: 1

Vitocal 100-A 101.A/B Vitodens 100-W B1HF/B1HG Vitosol 100/200-FM
logo 1 logo 1
IT0002601
IT0002601

Vitocrossal 100CIB da 80 kW fino a 320 kW versione Unit, in Box da esterno, con Vitotronic 200 GW7B per la gestione climatica di n.2 circuiti miscelati e della produzione ACS. Produzione ACS con Vitocell 100-V.

Numero di distinte: 2

Vitocrossal 100 CIB da esterno
logo 2
IT0002602
IT0002602

Vitocrossal 100CIB da 80 kW fino a 320 kW versione Unit in Box da esterno, con Vitotronic 200 GW7B per la gestione climatica di n.2 circuiti miscelati e della produzione ACS. Produzione ACS con Vitocell 100-V e separazione idraulica impianto primario/secondario con scambiatore.

Numero di distinte: 2

Vitocrossal 100 CIB da esterno
logo 2
IT0002604
IT0002604

Impianto ibrido con Vitocal 300/350-G in abbinamento a Vitodens 200-W B2HF/B2HH con produzione sanitaria mediante Vitotrans 353. Riscaldamento con un circuito diretto e due miscelati con comandi di avvio Smart Home da termoregolazione esterna ambienti.

Numero di distinte: 1

Vitocal 300-G 301.A21-45 Vitocal 350-G 351.B Vitodens 200-W B2HF/B2HH
logo 1 logo 2
IT0002605
IT0002605

Impianto ibrido tipo Vitocal 250-SH Hybrid con Vitocal 250-SH 252.B in abbinamento a Vitoladens 300-C BC3B/J3RB. Produzione sanitaria ibrida con bollitore a serpentino maggiorato Vitocell 100-V CVWx. Gestione climatica riscaldamento di circuito diretto e di tre circuiti miscelati con Vitotrol 100-EH.

Numero di distinte: 1

Vitocal 250-SH Vitoladens 300-C BC3B Vitoladens 300-C JR3B
logo 1 logo 3
IT0002609
IT0002609

Impianto ibrido tipo Vitocal 250-SH Hybrid-EQ con Vitocal 250-SH 252.B in abbinamento a Vitodens 100-W B1HF/B1HG. Produzione sanitaria ibrida con bollitore a serpentino maggiorato Vitocell 100-V CVWx. Gestione climatica riscaldamento di circuito diretto e di tre circuiti miscelati con Vitotrol 100-EH.

Numero di distinte: 1

Vitocal 250-SH Vitodens 100-W B1HF/B1HG
logo 1 logo 3
IT0002610
IT0002610

Impianto con Vitocal 200-S 201.E per produzione sanitaria in abbinamento a Vitocell 100-V CVWx. Gestione climatica circuito in diretta di riscaldamento/raffrescamento con deumidificatore ad espansione diretta.

Numero di distinte: 3

Vitocal 200-S 201.E
logo 1
IT0002611
IT0002611

Impianto con Vitocal 250-A 251.A per produzione sanitaria con Vitocell 100-V CVWx. Gestione climatica riscaldamento di circuito diretto e di tre circuiti miscelati radiante con Vitotrol 100-EH.

Numero di distinte: 1

Vitocal 250-A 251.A
logo 1 logo 3
IT0002613
IT0002613

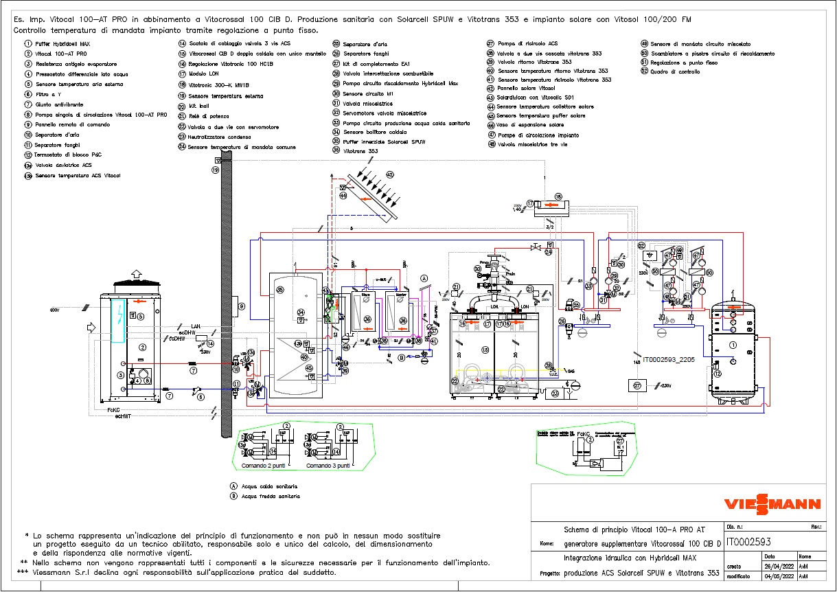
Impianto con Vitocal 100/200-AT/MT PRO (solo con regolazione Eliwell) per produzione sanitaria con Solarcell SPUW e Vitotrans 353. Impianto solare con Vitosol 100/200 FM per produzione sanitaria e integrazione riscaldamento. Termoregolazione esterna ambienti con gestione circuiti di riscaldamento.

Numero di distinte: 7

Vitocal 100-A PRO MT Vitocal 100-AT PRO Vitocal 200-A PRO MT Vitosol 100/200-FM
logo 1 logo 1
IT0002614
IT0002614

Impianto con Vitocal 100/200-AT/MT PRO (solo con regolazione Eliwell) per produzione sanitaria con Solarcell SPUW e Vitotrans 353. Impianto solare con Vitosol 100/200 FM per produzione sanitaria. Termoregolazione esterna ambienti con gestione circuiti di riscaldamento/raffreddamento.

Numero di distinte: 7

Vitosol 100/200-FM Vitocal 100-AT PRO Vitocal 100-A PRO MT Vitocal 200-A PRO MT
logo 1 logo 1
IT0002615
IT0002615

Impianto con Vitocal 100/200-AT/MT PRO (solo con regolazione Eliwell) per produzione sanitaria con Solarcell SPUW e Vitotrans 353. Termoregolazione esterna ambienti con gestione circuiti di riscaldamento/raffreddamento.

Numero di distinte: 7

Vitocal 100-A PRO MT Vitocal 100-AT PRO Vitocal 200-A PRO MT
logo 2
IT0002617
IT0002617

Impianto ibrido tipo Vitocal 250-SH Hybrid-EQ con Vitocal 250-SH 252.B in abbinamento a Vitodens 100-W B1HF/B1HG per produzione sanitaria con Vitocell 100-V CVWx. Gestione climatica riscaldamento circuito con montante diretto.

Numero di distinte: 1

Vitocal 250-SH Vitodens 100-W B1HF/B1HG
logo 1
IT0002618
IT0002618

Impianto ibrido tipo Vitocal 250-SH Hybrid con Vitocal 250-SH 252.B in abbinamento a Vitocrossal 300 CU3A. Produzione sanitaria ibrida con bollitore a serpentino maggiorato Vitocell 100-V CVWx. Gestione climatica riscaldamento di circuito diretto e di tre circuiti miscelati con Vitotrol 100-EH.

Numero di distinte: 1

Vitocal 250-SH Vitocrossal 300 CU3A
logo 1 logo 3
IT0002621
IT0002621

Impianto con Vitocal 222-S 221.E sanitario con bollitore integrato. Gestione climatica riscaldamento di un circuito in diretta.

Numero di distinte: 1

Vitocal 222-S 221.E
logo 1
IT0002622
IT0002622

Impianto ibrido tipo Vitocal 250-SH Hybrid-EQ con Vitocal 250-SH 252.B in abbinamento a Vitodens 100-W B1HF/B1HG per produzione sanitaria con Solarcell WPU. Gestione climatica riscaldamento di circuito diretto e di tre circuiti miscelati.

Numero di distinte: 1

Vitocal 250-SH Vitodens 100-W B1HF/B1HG
logo 1 logo 3
IT0002624
IT0002624

Impianto ibrido tipo Hybridcell-MS con Vitocal 100-S 101.B in abbinamento a Vitodens 100-W B1HF/B1HG con produzione sanitaria mediante Vitotrans 353 e solare termico. Gestione di due miscelati caldi radianti(CR2+CR3) e di diretto caldo/freddo ventilconvettori(CRF1) con comandi di avvio da termoregolazione esterna ambienti

Numero di distinte: 1

Vitocal 100-S 101.A/B Vitodens 100-W B1HF/B1HG Vitosol 100/200-FM
logo 1 logo 2
IT0002625
IT0002625

Impianto ibrido tipo Hybridcell-MS con Vitocal 100-S 101.B in abbinamento a Vitodens 100-W B1HF/B1HG per produzione sanitaria mediante Solarcell Total HSK e solare termico. Gestione di due miscelati caldi radianti(CR2+CR3) e di diretto caldo/freddo ventilconvettori(CRF1) con comandi di avvio da termoregolazione esterna ambienti.

Numero di distinte: 1

Vitocal 100-S 101.A/B Vitodens 100-W B1HF/B1HG Vitosol 100/200-FM
logo 1 logo 2
IT0002626
IT0002626

Impianto ibrido tipo Hybridcell-LS con Vitocal 200-S 201.D16 in abbinamento a Vitodens 200-W B2HA 49-60 kW per produzione sanitaria mediante Solarcell MAX. Montante solo caldo con gestione di un circuito diretto (CR1) e di due circuiti miscelati (CR2+CR3).

Numero di distinte: 1

Vitocal 200-S 201.D Vitodens 200-W B2HA 49-60 kW
logo 1 logo 2
IT0002627
IT0002627

Impianto ibrido tipo Hybridcell-MA con Vitocal 100-A 101.A in abbinamento a Vitodens 100-W B1HF/B1HG per produzione sanitaria con Solarcell Total HSK in abbinamento ad impianto solare termico. Termoregolazione esterna per gestione circuiti/ambienti con comando EST/INV e START/STOP.

Numero di distinte: 1

Vitocal 100-A 101.A/B Vitosol 100/200-FM Vitodens 100-W B1HF/B1HG
logo 1
IT0002629
IT0002629

Impianto ibrido tipo Hybridcell-LS con n°2 Vitocal 200-S 201.D10/16 in abbinamento a Vitodens 200-W B2HA 60/80 kW. Produzione sanitaria mediante Solarcell MAX in perfetto parallelo idraulico. Gestione montante diretto solo riscaldamento per centralizzato.

Numero di distinte: 1

Vitocal 200-S 201.D Vitodens 200-W B2HA 49-60 kW Vitodens 200-W B2HA 80-99 kW
logo 1
IT0002630
IT0002630

Vitocrossal 100CIB con Vitotronic 200 GW7B per la gestione climatica di n.2 circuiti miscelati. Produzione ACS con Vitotrans 353 PBxA in cascata. Impianto solare termico per integrazione ACS.

Numero di distinte: 1

Vitocrossal 100 CIB Vitosol 100/200-FM
logo 2
IT0002632
IT0002632

Imp. Ibrido Vitocal 100-AT PRO, Vitodens 200-W B2HA e Hybridcell MAX. Produzione sanitaria con Vitocell V-100 e impianto solare con Vitosol 100/200. Controllo temperatura di mandata impianto tramite regolazione a punto fisso caldo/freddo.

Numero di distinte: 2

Vitodens 200-W B2HA 49-60 kW Vitodens 200-W B2HA 80-99 kW Vitodens 200-W B2HA 120-150 kW Vitosol 100/200-FM Vitocal 100-AT PRO
logo 1 logo 1
IT0002635
IT0002635

Impianto con Vitodens 200-W B2HA 49-150 kW con gestione climatica di due circuiti di riscaldamento miscelati e di un diretto. Produzione di acqua calda sanitaria con Vitotrans 353 PBxA in cascata ed impianto solare per integrazione ACS.

Numero di distinte: 1

Vitodens 200-W B2HA 120-150 kW Vitodens 200-W B2HA 49-60 kW Vitodens 200-W B2HA 80-99 kW Vitosol 100/200-FM
logo 1 logo 2
IT0002637
IT0002637

Impianto con centralina di controllo Viessmann mod. 2701 per impianto radiante caldo/freddo in abbinamento ad Unità aria/deumidficazione HRI. Gestione ambienti con undici sensori temperatura/umidità TH e due sensori temperatura T con due moduli di ampliamento 2408 e comando doppio set point a generatore termofrigorifero. Gestione di due circuiti miscelati caldo/freddo a servizio del radiante e di un circuito diretto caldo/freddo a servizio dell'unità HRI e di due termoarredi ad integrazione nei bagni.

Numero di distinte: 1

logo 1 logo 2