Guest User
  • Sistemi Hybrid (123)
    • Hybrid PRO certificato (29)
    • Hybrid residenziale certificato (94)

  • Generatori (524)
    • Climatizzatori VRF (4)
    • Generatori Gas-Gasolio (314)
    • Generatori a Biomassa (46)
    • Generatori elettrici (21)
    • Pompe di calore (312)

  • Solare termico (195)
      • Vitosol 100/200-FM (195)

  • Produzione sanitaria (475)
    • Accumulo combinato con produzione istantanea (24)
    • Accumulo tecnico con produttore istantaneo (91)
    • Bollitore bivalente (152)
    • Bollitore monovalente (107)
    • Sistemi con scambiatore esterno per accumuli sanitari (32)
    • Sistemi integrati nel generatore (102)

  • Circuiti (485)
      • Diretto Caldo (216)
      • Diretto Caldo/Freddo (156)
      • Diretto Freddo (26)
      • Miscelato Caldo (254)
      • Miscelato Caldo/Freddo (51)

  • Regolazioni (479)
    • Regolazioni ambienti (289)
    • Regolazioni generatori (402)
    • Regolazioni impianti (272)

  • Ventilazione meccanica controllata (5)
      • Unità  HRI (3)
      • Vitoclima Micro DX (2)

  • Completamenti d'impianto (35)
    • Altri completamenti d'impianto (2)
    • Sistemi stoccaggio pellet (7)
    • Terminali (26)

  • Altro (480)
    • Termoregolazione (480)
      • Vi-Energy Plan (19)

Elenco Schemi

Risultato: 535 schemi
IT0002287
IT0002287

Impianto con Vitodens 200-W B2HF/B2HH climatica, produzione acs con bollitore bivalente e impianto solare per integrazione ACS. Regolazione di un circuito miscelato con comando da campo. Caldaia a biomassa Vitoligno 150-S <35 kW per integrazione ACS e riscaldamento . Vitodens 200 che lavora su scambiatore per separazione idraulica ed evitare somma termica e pratica INAIL

Numero di distinte: 1

Vitodens 200-W B2HF/B2HH Vitoligno 150-S Vitosol 100/200-FM
logo 1
IT0002289
IT0002289

Impianto ibrido con Vitocal 100-A 101.A16/18 in abbinamento a Vitodens 200-W B2HF/B2HH. Produzione sanitaria con preriscaldo PdC mediante Solarcell MAX. Termoregolazione esterna ambienti/circuiti con comandi ON/OFF ed EST/INV.

Numero di distinte: 1

Vitocal 100-A 101.A/B Vitodens 200-W B2HF/B2HH
logo 2
IT0002293
IT0002293

Hybrid PRO-ES Certificato - Imp. Ibrido Vitocal 100/200-A PRO, Vitomodul 200-W da esterno, con singola caldaia >45 kW e Hybridcell MAX. Produzione sanitaria con Vitocell V100. Controllo temperatura ambienti tramite regolazione climatica Vitotronic 200 HO1B

Numero di distinte: 4

Vitocal 100-A PRO MT Vitocal 200-A PRO MT Vitomodul 200-E B2HA Vitomodul 200-W B2HA da esterno
logo 1
IT0002294
IT0002294

Hybrid PRO-EC Certificato - Imp. Ibrido Vitocal 100/200-A PRO, Vitomodul 200-W da esterno- multi caldaia e Hybridcell MAX. Produzione sanitaria con Vitocell V100. Controllo temperatura ambienti tramite regolazione climatica Vitotronic 200 HO1B

Numero di distinte: 3

Vitocal 100-A PRO MT Vitocal 200-A PRO MT Vitomodul 200-E B2HA Vitomodul 200-W B2HA da esterno
logo 1
IT0002303
IT0002303

Vitocal 100-A Kit Compact Hybrid: Sistema ibrido ad incasso con Vitocal 100-A 101.A in abbinamento a Vitodens 100-W B1HF/B1HG. Produzione sanitaria con scambiatore istantaneo ed accumulo tecnico in abbinamento ad impianto solare termico. Modulo idraulico circuito diretto caldo termoarredi e modulo circuito diretto caldo/freddo per ventilconvettori con comandi di avvio da termoregolazione esterna ambienti.

Numero di distinte: 1

Vitocal 100-A 101.A/B Vitodens 100-W B1HF/B1HG Vitosol 100/200-FM
logo 1 logo 1
IT0002305
IT0002305

Impianto con Vitodens 200-W B2HF/B2HH con gestione climatica di due circuiti di riscaldamento miscelati. Produzione di ACS con Vitocell 100-B. Impianto solare termico per integrazione ACS e riscaldamento.

Numero di distinte: 1

Vitodens 200-W B2HF/B2HH Vitosol 100/200-FM
logo 2
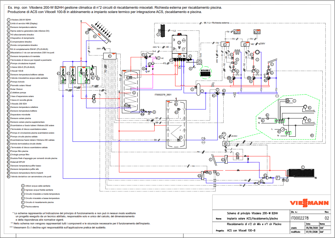
IT0002306
IT0002306

Impianto con Vitodens 200-W B2HF/B2HH con gestione climatica di due circuiti di riscaldamento miscelati. Richiesta esterna per riscaldamento piscina. Produzione di ACS con Vitocell 100-B. Impianto solare termico per integrazione ACS e piscina.

Numero di distinte: 1

Vitodens 200-W B2HF/B2HH Vitosol 100/200-FM
logo 2
IT0002307
IT0002307

Impianto con Vitodens 200-W B2HF/B2HH climatica, produzione ACS con bollitore monovalente. Regolazione di un circuito miscelato con comando da campo. Caldaia a biomassa Vitoligno 150-S <35 kW per integrazione ACS e riscaldamento . Vitodens 200 che lavora su scambiatore per separazione idraulica ed evitare somma termica e pratica INAIL

Numero di distinte: 1

Vitodens 200-W B2HF/B2HH Vitoligno 150-S
logo 1
IT0002313
IT0002313

Impianto con Vitodens 200-W B2HF/B2HH con gestione climatica di un circuito miscelato con comando da campo e un circuito diretto con miscelatrice termostatica e gestito da Vitotrol 200-E . Produzione sanitaria con Solarcell Total in abbinamento ad impianto solare termico per integrazione ACS e riscaldamento. Caldaia a biomassa Vitoligno 150-S per integrazione al riscaldamento e sanitario.

Numero di distinte: 1

Vitodens 200-W B2HF/B2HH Vitosol 100/200-FM Vitoligno 150-S
logo 1 logo 1
IT0002316
IT0002316

Impianto con Energycal Inverter/AW PRO AT in abbinamento a Vitodens 200-W B2HF/B2HH. Produzione sanitaria con preriscaldo da PdC con Vitotrans 353 PBxA. Termoregolazione esterna ambienti con gestione circuiti caldi/freddi (opzionale circuito MT/AT di caldaia).

Numero di distinte: 1

Energycal Inverter R410A Energycal AW PRO AT 7.1-41.1 Vitodens 200-W B2HF/B2HH
logo 2 logo 1
IT0002319
IT0002319

Impianto con Energycal Inverter/AW PRO AT in abbinamento a Vitodens 200-W B2HF/B2HH. Produzione sanitaria con preriscaldo da PdC con Vitotrans 353 PBxA ed impianto solare termico. Termoregolazione esterna ambienti con gestione circuiti caldi/freddi

Numero di distinte: 1

Energycal AW PRO AT 7.1-41.1 Energycal Inverter R410A Vitodens 200-W B2HF/B2HH Vitosol 100/200-FM
logo 2
IT0002321
IT0002321

Impianto ibrido tipo Hybridcell-MA con Vitocal 100-A 101.A in abbinamento a Vitodens 100-W B1HF/B1HG per produzione sanitaria con Solarcell MAX HPI. Termoregolazione esterna per gestione circuiti/ambienti con comando EST/INV e START/STOP.

Numero di distinte: 2

Vitocal 100-A 101.A/B Vitodens 100-W B1HF/B1HG
logo 1
IT0002324
IT0002324

Impianto ibrido tipo Hybridcell-LS con Vitocal 200-S 201.D per riscaldamento/raffreddamento e preriscaldo sanitario ad accumulo con Vitotrans 353 PZxA. Vitodens 200-W B2HF/B2HH per riscaldamento e sanitario con Vitocell 140-E in abbinamento impianto solare termico sanitario. Termoregolazione esterna ambiente con comandi avvio Smart Home per due circuiti radiante caldo (CR2/CR3) ed un diretto caldo/freddo a ventilconvettori (CRF1).

Numero di distinte: 1

Vitocal 200-S 201.D Vitodens 200-W B2HF/B2HH Vitosol 100/200-FM
logo 1 logo 2
IT0002326
IT0002326

Impianto con Vitodens 200-W B2KF/B2KH/Vitodens 222-W B2LF/B2LH con gestione climatica del circuito di riscaldamento diretto, pompa di rilancio, n.3 circuiti di riscaldamento con valvole di zona gestiti con termostati ambiente. (Zone Control)

Numero di distinte: 2

Vitodens 200-W B2KF/B2KH Vitodens 222-W B2LF/B2LH
logo 3
IT0002327
IT0002327

Impianto con Vitodens 200-W B2HF/B2HH con gestione climatica di due circuiti miscelati con Vitotrol 200-E e di un circuito diretto a temperatura fissa con comando da campo. Produzione di ACS con bollitore bivalente Vitocell 100-B ed impianto solare ad integrazione ACS.

Numero di distinte: 0

Vitodens 200-W B2HF/B2HH Vitosol 100/200-FM
logo 1 logo 2
IT0002328
IT0002328

Impianto con Vitocal 200-S 201.D in cascata per produzione sanitaria con più Solarcell MAX in parallelo in abbinamento ad impianto solare termico. Gestione di un circuito diretto caldo/freddo a ventilconvettori (CRF1) e due circuiti miscelati caldi per radiante (CR2+CR3) in abbinamento a termoregolazione esterna con comandi Smart Home

Numero di distinte: 1

Vitocal 200-S 201.D Vitosol 100/200-FM
logo 1 logo 2
IT0002333
IT0002333

Impianto ibrido tipo Hybridcell-MS con Vitocal 100-S 101.B in abbinamento a Vitodens 100-W B1HF/B1HG per produzione sanitaria con Solarcell MAX. Gestione di un circuito diretto caldo/freddo di rilancio (CRF1) con contatti Smart Home per avvio da termoregolazione ambiente esterna.

Numero di distinte: 1

Vitocal 100-S 101.A/B Vitodens 100-W B1HF/B1HG
logo 1
IT0002335
IT0002335

Vitocal 100-A Kit Compact Hybrid: Sistema ibrido ad incasso con Vitocal 100-A 101.A in abbinamento a Vitodens 100-W B1HF/B1HG. Produzione sanitaria con scambiatore istantaneo ed accumulo tecnico. Modulo idraulico circuito diretto caldo/freddo per ventilconvettori con comandi di avvio da termoregolazione esterna ambienti.

Numero di distinte: 1

Vitocal 100-A 101.A/B Vitodens 100-W B1HF/B1HG
logo 1
IT0002336
IT0002336

Impianto ibrido tipo Hybridcell-LS con Vitocal 100-S 101.A/B in abbinamento a Vitodens 100-W B1HF/B1HG per produzione sanitaria con Solarcell MAX. Montante solo caldo con circuito diretto di rilancio climatico per minicentralizzato.

Numero di distinte: 1

Vitocal 100-S 101.A/B Vitodens 100-W B1HF/B1HG
logo 1
IT0002338
IT0002338

Impianto ibrido tipo Hybridcell-LS con Vitocal 200-S 201.D in abbinamento a Vitodens 200-W B2HF/B2HH per produzione sanitaria con Solarcell MAX. Montante caldo/freddo con circuito diretto climatico di rilancio per minicentralizzato.

Numero di distinte: 2

Vitocal 200-S 201.D Vitodens 200-W B2HF/B2HH
logo 1
IT0002347
IT0002347

Impianto con Vitodens 200-W B2HF/B2HH con gestione climatica di n.1 circuito di riscaldamento diretto con n.3 rilanci gestiti con comando da campo. Produzione di ACS con bollitore monovalente Vitocell 100-V/W CVA

Numero di distinte: 1

Vitodens 200-W B2HF/B2HH
logo 3
IT0002350
IT0002350

Impianto con Energycal AW PRO AT DWS per produzione sanitaria con Vitotrans 353 PZxA. Termoregolazione esterna ambienti con gestione circuiti caldi/freddi.

Numero di distinte: 1

Energycal AW PRO AT DWS 7.1-41.1
logo 2
IT0002351
IT0002351

Impianto con Energycal AW PRO AT DWS in abbinamento a Vitodens 200-W B2HF/B2HH con produzione sanitaria mediante Vitocell 100-E con Vitotrans 353 PZxA. Termoregolazione esterna ambienti con gestione circuiti caldi/freddi.

Numero di distinte: 1

Energycal AW PRO AT DWS 7.1-41.1 Vitodens 200-W B2HF/B2HH
logo 2
IT0002352
IT0002352

Vitocal 100-A Kit Compact Hybrid: Sistema ibrido ad incasso con Vitocal 100-A 101.A/B in abbinamento a Vitodens 100-W B1HF/B1HG. Produzione sanitaria con scambiatore istantaneo ed accumulo tecnico in abbinamento ad impianto solare termico. Modulo idraulico circuito termostatico caldo radiante e modulo circuito diretto caldo/freddo per ventilconvettori con comandi di avvio da termoregolazione esterna ambienti

Numero di distinte: 1

Vitocal 100-A 101.A/B Vitodens 100-W B1HF/B1HG Vitosol 100/200-FM
logo 1 logo 1